Foram encontradas 1.015 questões.

A figura acima mostra uma imagem de satélite obtida sobre o Distrito Federal e arredores, com visada a nadir, órbita aproximadamente polar e heliossíncrona. Julgue o item que se segue, relativo a esse tipo de sistema de imageamento.
A imagem tem a forma de um paralelepípedo porque a órbita do satélite não é exatamente polar, isto é, não forma um ângulo reto com o plano do equador, e sim um ângulo em torno de 98º.
Provas

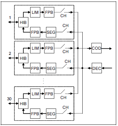
HIB – junção híbrida; LIM – limitador; FPB – filtro passa-baixas; SEG – segurador de tensões (sample and hold); CH – chave de amostragem; COD – codificador PCM; DEC – decodificador.
Considerando o equipamento multiplex PCM de 30 canais ilustrado acima, julgue o item que se segue.
Entre as especificações das unidades de canal do equipamento, estão: resposta em frequência, que fornece os limites da atenuação máxima permitida ao longo do espectro de frequências; distorção por atraso de grupo, que fornece os limites dos atrasos relativos às componentes de freqüência do sinal; perda por retorno, dada pela diferença, em watts, entre a energia refletida e a incidente, no ponto de reflexão do sinal.
Provas

HIB – junção híbrida; LIM – limitador; FPB – filtro passa-baixas; SEG – segurador de tensões (sample and hold); CH – chave de amostragem; COD – codificador PCM; DEC – decodificador.
Considerando o equipamento multiplex PCM de 30 canais ilustrado acima, julgue o item que se segue.
Em cada unidade, encontra-se uma junção híbrida (HIB). Essa junção permite a transformação de dois para quatro fios e tem a função de transformar a comunicação half-duplex em full-duplex, no sentido do HIB para o COD. Além disso, a HIB possibilita a amplificação dos sinais transmitido e recebido.
Provas
Com relação à multiplexação por divisão no tempo, julgue o item seguinte.
O esquema TDM estatístico, ou assíncrono, tem, comparativamente ao esquema TDM síncrono, um maior throughput, independentemente do algoritmo do acesso utilizado.
Provas
Com relação a técnicas de modulação e de transmissão, julgue o item a seguir.
A banda de freqüências ocupada por um sistema full-duplex é necessariamente superior à banda de frequências ocupada por um sistema half-duplex, para as mesmas condições de transmissão e de recepção.
Provas
Com relação a técnicas de modulação e de transmissão, julgue o item a seguir.
Com relação à técnica AM/DSB/SC, a técnica de modulação QAM é mais eficiente espectralmente, porém não permite que o sinal modulante seja digital.
Provas
BRASILSAT B4
Downlink nacional (transponder típico) – EIRP (dBW)

Principais características:
► posição orbital: 92,0º W
► cobertura: Brasil
► n.o de transponders: 28
► freqüência: N
!$ \circ !$ banda C
• uplink: 5.850 MHz a 6.425 Mhz
• downlink: 3.625 MHz a 4.200 MHz
► EIRP típica: 36,7 dBW
►G/T típico: !2,5 dB/K
► fluxo de saturação típico (SFD): !86 dBW/m2
► polarização: linear
► veículo de lançamento: Arianespace / Ariane 44 LP
► vida útil no lançamento: 12,5 anos
Acima, são apresentadas informações referentes ao satélite geoestacionário brasileiro Brasilsat B4, operado pela exploradora de satélite StarOne. Considerando essas informações e que haja uma rede de estações terrestres fixas que operam com o referido satélite, julgue o item seguinte.
O satélite Brasilsat B4 apresenta características adequadas para se formarem redes terrestres do tipo very small aperture terminal (VSAT) com antenas parabólicas de diâmetro inferior a 1 m e com suporte a taxas de transmissão de dados superiores a 100 Mbps por estação remota, compartilhando um transponder em modo FDMA/SCPC/QPSK.
Provas
BRASILSAT B4
Downlink nacional (transponder típico) – EIRP (dBW)

Principais características:
► posição orbital: 92,0º W
► cobertura: Brasil
► n.o de transponders: 28
► freqüência: N
!$ \circ !$ banda C
• uplink: 5.850 MHz a 6.425 Mhz
• downlink: 3.625 MHz a 4.200 MHz
► EIRP típica: 36,7 dBW
►G/T típico: !2,5 dB/K
► fluxo de saturação típico (SFD): !86 dBW/m2
► polarização: linear
► veículo de lançamento: Arianespace / Ariane 44 LP
► vida útil no lançamento: 12,5 anos
Acima, são apresentadas informações referentes ao satélite geoestacionário brasileiro Brasilsat B4, operado pela exploradora de satélite StarOne. Considerando essas informações e que haja uma rede de estações terrestres fixas que operam com o referido satélite, julgue o item seguinte.
A figura mostrada apresenta o diagrama de cobertura — também denominado footprint — de downlink típico por transponder do satélite Brasilsat B4. Considerando-se um transponder típico para o qual a antena de transmissão do satélite tenha ganho igual a 40 dBi, as informações apresentadas são suficientes para se concluir que esse transponder é capaz de alimentar a referida antena com potência superior a 500 mW.
Provas
BRASILSAT B4
Downlink nacional (transponder típico) – EIRP (dBW)

Principais características:
► posição orbital: 92,0º W
► cobertura: Brasil
► n.o de transponders: 28
► freqüência: N
!$ \circ !$ banda C
• uplink: 5.850 MHz a 6.425 Mhz
• downlink: 3.625 MHz a 4.200 MHz
► EIRP típica: 36,7 dBW
►G/T típico: !2,5 dB/K
► fluxo de saturação típico (SFD): !86 dBW/m2
► polarização: linear
► veículo de lançamento: Arianespace / Ariane 44 LP
► vida útil no lançamento: 12,5 anos
Acima, são apresentadas informações referentes ao satélite geoestacionário brasileiro Brasilsat B4, operado pela exploradora de satélite StarOne. Considerando essas informações e que haja uma rede de estações terrestres fixas que operam com o referido satélite, julgue o item seguinte.
Uma rede VSAT que utiliza tecnologia TDMA/QPSK em topologia estrela permite, atualmente, o estabelecimento de enlaces simultâneos de comunicações de voz e dados entre uma estação HUB e diversas estações VSAT espalhadas na área de cobertura de um satélite. Essa configuração é especificamente recomendada para provedores de serviço via satélite que podem ter o controle de toda a rede por meio de um sistema central de gerência e possui, ainda, como vantagem, com relação a uma configuração que utiliza topologia em malha, a possibilidade de as VSATs poderem operar com menor nível de potência de transmissão ao satélite.
Provas
BRASILSAT B4
Downlink nacional (transponder típico) – EIRP (dBW)

Principais características:
► posição orbital: 92,0º W
► cobertura: Brasil
► n.o de transponders: 28
► freqüência: N
!$ \circ !$ banda C
• uplink: 5.850 MHz a 6.425 Mhz
• downlink: 3.625 MHz a 4.200 MHz
► EIRP típica: 36,7 dBW
►G/T típico: !2,5 dB/K
► fluxo de saturação típico (SFD): !86 dBW/m2
► polarização: linear
► veículo de lançamento: Arianespace / Ariane 44 LP
► vida útil no lançamento: 12,5 anos
Acima, são apresentadas informações referentes ao satélite geoestacionário brasileiro Brasilsat B4, operado pela exploradora de satélite StarOne. Considerando essas informações e que haja uma rede de estações terrestres fixas que operam com o referido satélite, julgue o item seguinte.
As estações terrestres que operam com o satélite Brasilsat B4, na recepção de sinais digitais, podem verificar, em condições normais, degradação da BER (bit error rate) desses sinais devido ao incremento da interferência intersimbólica causado pelo efeito Doppler.
Provas
Caderno Container