Foram encontradas 50 questões.
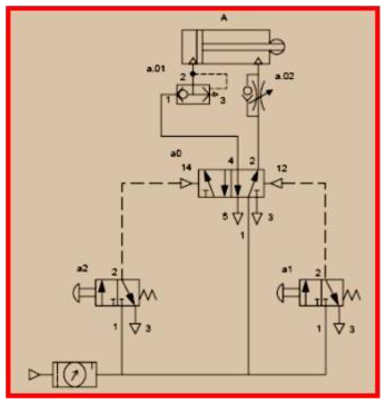
Observeodiagramaabaixo:

Trata-sedeumexemplodeaplicaçãodeválvulade:

Trata-sedeumexemplodeaplicaçãodeválvulade:
Provas
Questão presente nas seguintes provas
Analiseasafirmativasaseguir:
1- Aslâmpadasa vapor desódiodealta pressão não adequadas para aplicação em ambientes internos e externos.
2- As lâmpadas de luz mista, adequadas para ambientes internos e externos, não necessitam de equipamento auxiliarparaoseufuncionamento.
3- As lâmpadas a vapor metálico de alta pressão são adequadas para aplicação em áreas internas e externas, possuemaltaeficiênciaebomíndicedereproduçãode cor.
Assinaleaalternativacorreta:
1- Aslâmpadasa vapor desódiodealta pressão não adequadas para aplicação em ambientes internos e externos.
2- As lâmpadas de luz mista, adequadas para ambientes internos e externos, não necessitam de equipamento auxiliarparaoseufuncionamento.
3- As lâmpadas a vapor metálico de alta pressão são adequadas para aplicação em áreas internas e externas, possuemaltaeficiênciaebomíndicedereproduçãode cor.
Assinaleaalternativacorreta:
Provas
Questão presente nas seguintes provas
Otransformadortemseuprincípiodefuncionamentobaseado naLeide:
Provas
Questão presente nas seguintes provas
Ummedidormonofásicosubmetidoa220V,5Aefatorde potênciaunitárioefetua10rotaçõesdurante30segundos. Nessecasoasuaconstantededisco,emWh/rot,vale:
Provas
Questão presente nas seguintes provas
Umcondutordecomprimento60cmépercorridoporuma correnteelétricade30A,imersoemumcampomagnéticode 0,8T.Omódulodaforçamagnéticaqueatuanocondutor,em N,é:
Provas
Questão presente nas seguintes provas
- EletrotécnicaCircuitos Elétricos em Eletricidade
- EletrotécnicaCircuitos de Corrente Contínua e de Corrente Alternada
Uma tensão senoidal V = 100 sen (314 t) é aplicada a um
circuito constituído de uma resistência de 4 Ω em série com
uma reatância capacitiva de 3 Ω. Os valores da impedância
(em Ω) e da capacitância do circuito (em microfarad) são
respectivamente:
Provas
Questão presente nas seguintes provas
Odispositivosoft-starteréútilnocomandode:
Provas
Questão presente nas seguintes provas
Uma lâmpada fluorescente compacta de 15 W/127 V e cosΦ=0,6estáligada.Nessecaso,apotênciaaparente(em VA)eapotênciareativa(Var)sãorespectivamente:
Provas
Questão presente nas seguintes provas
O trecho do projeto de instalação elétrica abaixo apresenta a
saída de um quadro geral monofásico:

Deacordocomossímbolosgráficosacima,pode-seafirmar que:

Deacordocomossímbolosgráficosacima,pode-seafirmar que:
Provas
Questão presente nas seguintes provas
Uma das politicas governamentais implementadas nos últimosanosparasupriraenergiaelétricaemperíodosde maiorconsumonasgrandescidadesfoiainstalaçãodeusinas termelétricasagásnatural.Sobresuaeficiência,sabe-sequeo gásnaturaléumaenergiaque:
Provas
Questão presente nas seguintes provas
Cadernos
Caderno Container