Foram encontradas 402 questões.
Dispõe-se de um galvanômetro com fundo de escala 300 µA e resistência interna rg = 200 Ω e pretende-se construir um voltímetrocomfundodeescalaVmáx=3V.Ovalordaresistência rmquedeveserligadaemsériecomogalvanômetroéde:
Provas
Questão presente nas seguintes provas
Dentre as funções operacionais dos relés diferenciais digitais, aquela que corresponde a uma unidade destinada à proteção de defeitos monopolares para faltas de alta impedância é:
Provas
Questão presente nas seguintes provas
- Medidas Elétricas
- Instalações ElétricasAterramentos
- Normas TécnicasNBRsNBR 5410: Instalações Elétricas de Baixa Tensão
Uma terramento,para desempenhar satisfatoriamente a sua finalidade,deve ter baixa resistência de terra. Por esse motivo,se faz necessária a medição da resistência de terra sempre que se deseja projetar um sistema de aterramento. Dos métodos empregados para essa finalidade,destaca-se,pela indicação mais estável do valor medido,o método:
Provas
Questão presente nas seguintes provas
- Instalações ElétricasSubestações
- Proteção de Sistemas ElétricosProteção em Média Tensão
- Sistemas Elétricos de PotênciaDistribuição de Energia Elétrica
Observe o seguinte diagrama unifilar de um arranjo físico de
subestações de sistemas elétricos de potência:

Apósanálise,pode-seconcluirquesetratadebarraduplacom:

Apósanálise,pode-seconcluirquesetratadebarraduplacom:
Provas
Questão presente nas seguintes provas
Emumdeterminado circuito elétrico composto por cabo de cobredeseção10mm² (k=115),acorrentedecurto-circuito em3ciclosfoide5kA.Otempomáximoparaqueodispositvo deproteçãopudesseatuar,emmilissegundos,seriade:
Provas
Questão presente nas seguintes provas
No desenvolvimento de serviços em instalações elétricas e em suas proximidades devem ser previstos e adotados equipamentos de proteção apresentados na Coluna I. Estabeleça a correta correspondência com os dispositivos relacionados na Coluna II
Coluna I
1.Equipamentodeproteçãoindividual.
2.Equipamentodeproteçãocoletva.
Coluna II
( ) tapete de borracha.
( ) aterramento temporário.
( ) manga isolante.
( )botnadecouro.
( ) grade metálica dobrável.
OsitensindicadosnaColunaIIcorrespondemrespectivamentea:
Coluna I
1.Equipamentodeproteçãoindividual.
2.Equipamentodeproteçãocoletva.
Coluna II
( ) tapete de borracha.
( ) aterramento temporário.
( ) manga isolante.
( )botnadecouro.
( ) grade metálica dobrável.
OsitensindicadosnaColunaIIcorrespondemrespectivamentea:
Provas
Questão presente nas seguintes provas
Observeosímbolousadoeminstrumentaçãoelétricaabaixo:

Essesímboloédesignadoparaindicarinstrumento:

Essesímboloédesignadoparaindicarinstrumento:
Provas
Questão presente nas seguintes provas
Dadooesquemadecomandoelétricoabaixo:

Aoseracionadoodispositivo2,alâmpadaL,queestava

Aoseracionadoodispositivo2,alâmpadaL,queestava
Provas
Questão presente nas seguintes provas
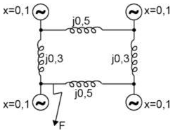
Observe o diagrama unifilar abaixo:

Admitindo-se que os valores por unidade das reatâncias X estão referidos a 100 MVA de base, desprezando-se as resistências, a potência de curto-circuito decorrente de uma corrente de falta simétrica, em MVA, vale:

Admitindo-se que os valores por unidade das reatâncias X estão referidos a 100 MVA de base, desprezando-se as resistências, a potência de curto-circuito decorrente de uma corrente de falta simétrica, em MVA, vale:
Provas
Questão presente nas seguintes provas
Dentre as pontes clássicas para medição de capacitância, aquela que é indicada para capacitores considerados ideais, ou seja,com fator de perdas muito pequeno, é denominada Ponte de:
Provas
Questão presente nas seguintes provas
Cadernos
Caderno Container