Foram encontradas 1.200 questões.
Com relação a máquinas elétricas, julgue os itens que se seguem.
Em geral, os motores de corrente contínua demandam mais manutenção que os motores de indução de rotor em gaiola por causa do comutador.
Provas
O wattímetro é um instrumento adequado à medição de energia elétrica, sendo o modelo mais conhecido aquele utilizado pelas concessionárias nas unidades consumidoras residenciais.
Provas
O amperímetro é um instrumento adequado à medição de corrente elétrica, possuindo baixa impedância interna e devendo ser conectado em série com o circuito no qual se deseja medir a corrente.
Provas
Uma rede trifásica equilibrada e simétrica alimenta uma carga também equilibrada, cuja tensão de linha é igual a 380 V. Sabe-se que a carga absorve potência de 3,8 kW com fator de potência unitário. A respeito do funcionamento da carga conectada à rede elétrica, julgue os itens que se seguem.
A ligação de um motor de indução trifásico em paralelo com essa carga tornaria o fator de potência — do conjunto carga mais motor — indutivo.
Provas
Uma rede trifásica equilibrada e simétrica alimenta uma carga também equilibrada, cuja tensão de linha é igual a 380 V. Sabe-se que a carga absorve potência de 3,8 kW com fator de potência unitário. A respeito do funcionamento da carga conectada à rede elétrica, julgue os itens que se seguem.
Se a carga estiver ligada em triângulo, a corrente de linha que é fornecida pela rede será aproximadamente igual a 3,3 A.
Provas
Uma rede trifásica equilibrada e simétrica alimenta uma carga também equilibrada, cuja tensão de linha é igual a 380 V. Sabe-se que a carga absorve potência de 3,8 kW com fator de potência unitário. A respeito do funcionamento da carga conectada à rede elétrica, julgue os itens que se seguem.
A potência aparente da carga é igual a 3,8 kVA.
Provas

A figura acima mostra um circuito elétrico em corrente contínua que opera alimentado por uma fonte ideal de 10 V. A chave K no circuito fica normalmente fechada e é utilizada para desligar o resistor conectado entre os terminais a-b. O amperímetro indicado no circuito é considerado ideal, sendo usado para medir a corrente que flui pela fonte. Com base no circuito, julgue os itens subseqüentes.
Provas
- Circuitos ElétricosCircuitos Resistivos, RL e RC, e RLC
- Circuitos ElétricosPotência: Instantânea, Ativa, Reativa, Aparente e Complexa

A figura acima mostra um circuito elétrico em corrente contínua que opera alimentado por uma fonte ideal de 10 V. A chave K no circuito fica normalmente fechada e é utilizada para desligar o resistor conectado entre os terminais a-b. O amperímetro indicado no circuito é considerado ideal, sendo usado para medir a corrente que flui pela fonte. Com base no circuito, julgue os itens subseqüentes.
Se a chave K for aberta, a fonte fornecerá 15 W de potência aos resistores.
Provas

A figura acima mostra um circuito elétrico em corrente contínua que opera alimentado por uma fonte ideal de 10 V. A chave K no circuito fica normalmente fechada e é utilizada para desligar o resistor conectado entre os terminais a-b. O amperímetro indicado no circuito é considerado ideal, sendo usado para medir a corrente que flui pela fonte. Com base no circuito, julgue os itens subseqüentes.
A corrente medida pelo amperímetro é igual a 2 A.
Provas

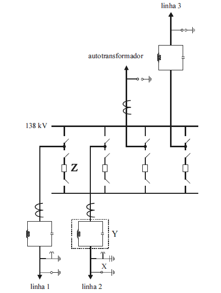
Com base no desenho acima, que mostra o diagrama unifilar da parte em 138 kV de uma subestação de transmissão cujas tensões são 230 kV e 138 kV, julgue as associações propostas nos itens subseqüentes, quanto à simbologia dos equipamentos indicados por X, Y e Z (o elemento Y corresponde à indicação interna do retângulo pontilhado).
Z – disjuntor
Provas
Caderno Container