Foram encontradas 40 questões.
I. A biocapacidade é um indicador que mede a área de terras e águas capazes de gerar recursos biológicos úteis e de absorver os recursos produzidos pelas atividades humanas.
II. A pegada ecológica representa a área de terras e águas de que um indivíduo, uma nação ou a humanidade precisa para produzir tudo que consome e descartar todo lixo gerado.
Com base nos conceitos apresentados e nos conhecimentos sobre sustentabilidade, é incorreto afirmar:
Provas
Questão presente nas seguintes provas
Os certificados de gestão ambiental da série ISSO 14000 atestam a responsabilidade ambiental do desenvolvimento das atividades de uma empresa. Sobre os benefícios gerados às organizações que possuem o certificado ISSO 14000, não está incluído:
Provas
Questão presente nas seguintes provas
Os indicadores de desenvolvimento sustentável, lançados pelo IBGE na Rio +20, mostram ganhos e fragilidades em quatro dimensões: ambiental, social, econômica e institucional. Entre os ganhos ambientais, inclui-se
Provas
Questão presente nas seguintes provas
Os cabos para-raios conectados ou não às malhas de aterramento das subestações terminais devem ser capazes de
Provas
Questão presente nas seguintes provas
Em se tratando de sistemas de proteção contra descargas atmosféricas, relacione a segunda coluna de acordo com a primeira.
| (A) Nível I | ( ) Construções onde não é rotineira a presença de pessoas. |
| (B) Nível II | ( ) É o nível mais severo quanto à perda de patrimônio. |
| (C) Nível III | ( ) A falha no SPDA pode ocasionar perda estimável de bens. |
| (D) Nível IV | ( ) Refere-se a construções de uso comum. |
A alternativa que indica a sequência correta, de cima para baixo, é a
Provas
Questão presente nas seguintes provas
Texto:
Economia Verde defende modelos de produção mais sustentáveis
É possível conciliar o desenvolvimento econômico com a preservação do planeta? Um dado alarmante, publicado pela ONG norte-americana Global Footprint Network, revelou que o ser humano tem consumido mais do que a capacidade de recomposição da natureza pode suportar. Se o desenvolvimento econômico é baseado no consumo, cria-se, dessa maneira, uma espécie de cheque-mate para o futuro do planeta. Como fazer com que economias mundiais possam crescer e vencer suas crises sem agredir o planeta? A resposta pode estar no termo economia verde.
O relatório “Caminhos para o Desenvolvimento Sustentável e a Erradicação da Pobreza — Síntese para Tomadores de Decisão”, do Programa das Nações Unidas para o Meio Ambiente (PNUMA), define economia verde como aquela que resulta em melhoria do bem-estar da humanidade e promove a igualdade social, ao mesmo tempo em que reduz significativamente riscos ambientais e a escassez ecológica. Ou seja, uma economia verde prevê baixa emissão de carbono e eficiência no uso de recursos naturais, além de ser socialmente inclusiva.
Segundo o relatório do PNUMA, no regime de economia verde, o crescimento de renda e de emprego deve ser impulsionado por investimentos públicos e privados, que priorizem a redução das emissões de carbono e da poluição, aumentando a eficiência energética e o uso de recursos. Dessa maneira, previnem-se perdas de biodiversidade do planeta.
O Programa das Nações Unidas alerta que, para a transição de uma economia marrom, que depende excessivamente da energia proveniente dos combustíveis fósseis, para a verde, que explora os recursos renováveis, são necessárias determinadas condições facilitadoras. Isso inclui regulamentos nacionais, políticas, subsídios e incentivos, mercado internacional e infraestrutura legal e protocolos comerciais e de apoio. Para Luiz Felipe Guanaes, professor da Pontifícia Universidade Católica (PUC-RJ) e diretor do Núcleo Interdisciplinar de Meio Ambiente da PUC (Unima), a conscientização do consumidor ditará as mudanças nos modelos econômicos.
“O mercado não é uma coisa fixa, ele vem se transformando desde o dia em que surgiu e a sua grande força de mudança é o consumidor, com seus impulsos de compra. A partir do momento em que a sociedade se conscientizar sobre o problema do meio ambiente, a tendência será a demanda por produtos ecologicamente corretos. Quanto mais consciente for o consumidor, mais ele exigirá meios de produção responsáveis em termos ambientais. Para isso, é preciso adequar o modo de produção atual”, explica o professor.
Conforme explica Guanaes, a agricultura orgânica é uma alternativa de produção que vem assumindo cada vez mais espaço no incremento da economia verde no Brasil. “Há 25 anos, não havia demanda para esse tipo de produto, sendo que hoje esse mercado movimenta cerca de R$ 5 bilhões. Entretanto, esses produtos ainda sofrem sobretaxa devido à falta de investimento em tecnologia para baratear a produção, ficando mais caros que os tradicionais. Se conseguirmos baratear o preço dos vegetais orgânicos, incluindo também a implementação de cooperativismos mais inteligentes, eles baterão de frente com os tradicionais”, destaca.
No que diz respeito ao aproveitamento de energias renováveis, desde 2004, o Brasil tem investido na criação de parques com aerogeradores (hélices que fazem a captação do vento para geração de energia), que entraram em funcionamento em 2006. Como explica a presidente executiva da Associação Brasileira de Energia Eólica, (Abeeólica), Elbia Melo, o país possui um clima propício para esse tipo de geração de energia, que corresponde a 1%, dos 17% provenientes de fontes alternativas, do total da matriz energética do Brasil. “Nós, brasileiros, começamos a perceber que a nossa produção de energia eólica é muito melhor que nos Estados Unidos e na Europa, por exemplo, pois nossos ventos são melhores, além das condições do clima. Basicamente, empresas brasileiras que investem em produção de energia alternativas optam também pela eólica”, aponta a presidente.
ECONOMIA VERDE...Disponível em: <http://redeglobo.globo.com/globoecologia/noticia/2012/10/economia-
verde-defende-modelos-de-producao-mais-sustentaveis.html>. Acesso em: 16 jan.2013. Adaptado.
Leia as afirmações:
I. Segundo a ONG norte-americana Global Footprint Network, a capacidade do planeta em renovar seus recursos está inviabilizada devido ao consumo exagerado.
II. O relatório PNUMA revela que a economia verde, por si mesma, garante o crescimento de renda e de emprego.
III. As condições climáticas do Brasil favorecem o uso de uma economia verde mais rentável que as dos demais países da Europa e dos Estados Unidos.
Está correto, apenas, o contido em:
Provas
Questão presente nas seguintes provas
Analise as afirmativas relacionadas a Projetos Elétricos e marque com V as verdadeiras e com F, as falsas.
( ) O diagrama unifilar em projetos elétricos constitui o caminho por onde são idealizados os eletrodutos que vão albergar os cabos elétricos.
( ) A Norma NBR 5410/2004 apresenta a simbologia gráfica para instalações elétricas prediais.
( ) A ferramenta LAYER do Autocad ajuda na criação de projetos elétricos principalmente porque se pode dividir as características dos circuitos elétricos de iluminação, força e proteção.
A alternativa que indica a sequência correta, de cima para baixo, é a
Provas
Questão presente nas seguintes provas
Em relação à seleção de motores e de geradores, analise as afirmativas e marque com V as verdadeiras e com F, as falsas.
( ) Em um gerador, conversor síncrono ou alternador, o tipo de máquina primária, o método de montagem e o sentido de rotação interferem de maneira substancial na sua escolha. O fato de ser instalado em local aberto ou totalmente fechado não altera em nada a seleção.
( ) O ciclo de trabalho é fator preponderante na escolha do motor.
( ) Como regra geral, a capacidade selecionada deve ser de maneira que a máquina opere a, pelo menos, 75 % da capacidade máxima.
A alternativa que indica a sequência correta, de cima para baixo, é a
Provas
Questão presente nas seguintes provas
Apesar de serem poucos os acidentes graves já registrados, um vazamento de radiação tem consequências extremamente sérias. Ainda assim, a energia nuclear é atualmente responsável por cerca de 6% de toda a energia produzida no planeta.
Constitui uma das razões do uso da energia nuclear:
Provas
Questão presente nas seguintes provas

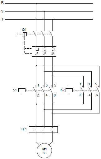
Segundo o circuito de potência apresentado na ilustração, a alternativa correta que descreve os elementos que compõem o circuito em forma ascendente é a
Provas
Questão presente nas seguintes provas
Cadernos
Caderno Container