Foram encontradas 47 questões.
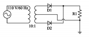
Considere o seguinte diagrama elétrico para responder às questões de números 28 e 29.

Considerando os materiais magnéticos, a permeabilidade é uma grandeza importante. Sendo !$ \mu !$ a permeabilidade absoluta e !$ \mu_0 !$ a permeabilidade do vácuo, a permeabilidade relativa (!$ \mu_r !$) é calculada pela expressão
Provas
Considere o seguinte diagrama elétrico para responder às questões de números 28 e 29.

Considerando a tensão sobre R1 e adotando ângulo de fase 0º para a passagem da tensão pelo nível zero, a próxima passagem pelo nível zero ocorrerá para ângulo de fase de
Provas
Considere o seguinte diagrama elétrico para responder às questões de números 28 e 29.

Para que o circuito elétrico opere adequadamente e haja redução do ripple, tipicamente é adicionado um
Provas
Afigura a seguir apresenta dois circuitos que alimentam uma carga resistiva de mesmo valor R = 100 !$ \Omega !$. O Circuito 1 possui uma fonte de corrente contínua, enquanto o Circuito 2, uma fonte de corrente alternada senoidal.

Supondo v1 = 110 V e o valor eficaz de v2 = 110 V, é correto afirmar que a potência média transferida é
Provas
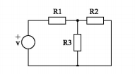
Analise o circuito a seguir para responder às questões de números 25 e 26.
Considerar: R1=R3 = 10 !$ \Omega !$ .

Para v1=10V, v2=30V e vA =20 V, o valor de R2 é
Provas
Analise o circuito a seguir para responder às questões de números 25 e 26.
Considerar: R1=R3 = 10 !$ \Omega !$ .

Para v1= 10V, v2=20V e para que as correntes que circulam nos resistores R1 e R2 tenham o mesmo valor, o valor de R2 deve ser
Provas
Em circuitos elétricos, duas leis importantes são utilizadas: a 1.ª, conhecida como Lei das Correntes ou Lei dos Nós, e a 2.ª, conhecida como Lei das Tensões ou Lei das Malhas. Sobre elas, é correto afirmar que
Provas
O valor eficaz da tensão elétrica de uma residência é de 220 VCA. O valor de pico dessa tensão é
Provas
Analise o circuito a seguir para responder às questões de números 21 e 22.
Supor R1= 5 !$ \Omega !$, R2=R3=10 !$ \Omega !$,e a potência dissipada em R2=10 W.

O valor da potência dissipada em R1 e o valor de v são, respectivamente,
Provas
Analise o circuito a seguir para responder às questões de números 21 e 22.
Supor R1= 5 !$ \Omega !$, R2=R3=10 !$ \Omega !$,e a potência dissipada em R2=10 W.

As correntes que circulam nos resistores R2 e R3 são, respectivamente,
Provas
Caderno Container