Foram encontradas 47 questões.
Dentre as medidas de controle da NR-10 (segurança em instalações e serviços em eletricidade), é estabelecido que instalações elétricas mantenham o Prontuário de Instalações Elétricas para instalações com cargas superiores a
Provas
Sobre a NR-10 (segurança em instalações e serviços em eletricidade), é correto afirmar que se aplica
Provas
Analise as afirmações sobre cuidados básicos na ligação de instrumentos de medida elétrica:
I. deve-se tomar cuidado para não inverter a polaridade em medidas de tensão e corrente em corrente alternada;
II. iniciar a medição sempre posicionando o instrumento no menor fundo de escala possível:
III. os amperímetros devem ser ligados sempre em série e os voltímetros em paralelo.
Sobre as afirmações, pode-se dizer que está correto o contido em
Provas
Um transformador de potencial fornece no seu circuito secundário uma
Provas
Analise as afirmações sobre transformador de corrente:
I. reproduz, no seu circuito secundário, a corrente que circula em um enrolamento primário;
II. pode ser utilizado apenas em baixa tensão, uma vez que em altas tensões a indução não permite que se obtenha boa precisão;
III. é destinado a aplicações apenas de corrente contínua.
Sobre as afirmações, pode-se dizer que está correto o contido em
Provas
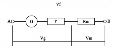
Afigura a seguir representa um voltímetro construído a partir de um galvanômetro G, que possui uma resistência interna r e Vg é a tensão máxima suportável por ele, que foi colocado em série com um resistor multiplicador. Tensões são medidas a partir dos pontos A e B.

A função do resistor multiplicador Rm é
Provas
Três unidades transformadoras monofásicas, com relação de transformação 1:1, foram interligadas para formar uma configuração Y-!$ \Delta !$. Nesse tipo de ligação, é correto afirmar que o módulo da tensão de
Provas
Considere um transformador monofásico ideal, com 500 espiras no enrolamento primário e 50 espiras no enrolamento secundário, alimentando uma carga resistiva de 19 !$ \Omega !$ conectada ao seu secundário. Determine a tensão |VP| no enrolamento primário do transformador, se a corrente medida na carga é 20A.
Provas
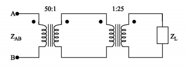
Considere o circuito apresentado na figura, em que os transformadores são ideais e o módulo da impedância de carga vale |ZL| = 250 !$ \Omega !$.

Assinale a alternativa que contém o módulo da impedância vista pelos terminais A e B.
Provas
Em se tratando da localização de capacitores para a compensação de reativos de uma instalação, assinale a alternativa com a consideração correta.
Provas
Caderno Container