Foram encontradas 50 questões.
O circuito apresentado na figura realiza a função de um filtro passa-tudo de primeira ordem, onde o amplificador operacional é considerado ideal.

Sabe-se que o filtro acima deve produzir uma saída vo, defasada de 90º em relação a um sinal puramente senoidal, com frequência igual a 104 rad/s, aplicado à entrada vi.
Assim, para que o filtro atenda a essa especificação, o resistor RP deve apresentar uma resistência elétrica, em kΩ, igual a
Provas

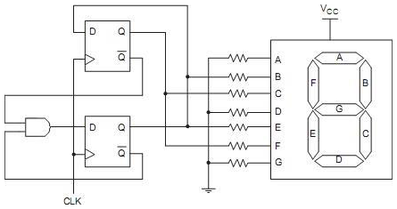
Assim, a sequência completa dos números que irão aparecer representados no display, quando um sinal de clock (CLK) periódico foi aplicado ao circuito, será a seguinte:
Provas

A resistência Rth , em Ω, e a tensão Vth , em V, respectivamente, são
Provas
Dessa forma, para ser possível medir correntes de até 100 mA, deve-se conectar em paralelo a esse galvanômetro uma resistência shunt de, no máximo,
Provas
Assim sendo, esse sistema emprega a técnica de múltiplo acesso conhecida como
Provas
Essa técnica é conhecida como
Provas
Um canal de comunicação é modelado por um filtro FIR (Finite Impulse Response), cuja resposta ao impulso, h[n], é dada por h[n]=Pδ[n]+Qδ[n−1]+Rδ[n−2], sendo P, Q e R constantes reais.
Sabendo-se que os zeros de H[Z], onde H[Z] é a Transformada Z de h[n], são reais e que a resposta ao impulso em questão possui fase linear, tem-se que
Provas
Considere as seguintes afirmativas a respeito do PCM:
I - O aumento da quantidade de níveis de quantização tende a reduzir o ruído de quantização e a aumentar a taxa na saída do PCM.
II - O aumento da taxa de amostragem tende a reduzir a taxa na saída do PCM.
III - Para não perder informação no processo de amostragem, o amostrador do PCM deve operar em uma taxa maior ou igual à de Nyquist do sinal a ser amostrado.
É correto APENAS o que se afirma em
Provas
Sabendo-se que os sinais de controle e de voz são iguais e que a taxa do sinal básico é de 2048kbps, a quantidade de canais de voz contidos no sinal básico é
Provas

Provas
Caderno Container