Foram encontradas 1.128 questões.
O Sistema de Posicionamento Global (GPS) permite a localização exata de pontos sobre a superfície da Terra. Em relação ao uso do GPS, informe se é verdadeiro (V) ou falso (F) o que se afirma e, em seguida, assinale a alternativa que apresenta a sequência correta.
( ) Embora tenha sido desenvolvido para fins militares, apresenta enorme benefício para outros grupos, como organizações governamentais e grupos privados de levantamento.
( ) Diversos receptores são capazes de rastrear satélites do Sistema Global de Navegação por Satélite (GNSS).
( ) Pode ser muito útil nas medições cruzando propriedades nas quais os proprietários não permitem o acesso.
( ) Foi desenvolvido para compor o sistema GLONASS.
Provas
Em relação aos princípios de adesão aos substratos dentais, é correto afirmar que
Provas
Embolia pulmonar e trombose venosa profunda são responsáveis por milhares de internações e mortes anualmente em todo o mundo. Com o envelhecimento da população, a embolia pulmonar torna-se mais prevalente. A TEP leva às seguintes alterações fisiopatológicas, exceto:
Provas
São características e propriedades pertinentes aos compósitos ou resinas compostas, exceto:
Provas
Para o dimensionamento de condutores e calhas, segundo a NBR 10844:1989, utiliza-se como referência
Provas
Em relação ao período peri-operatório, informe se é verdadeiro (V) ou falso (F) o que se afirma e, em seguida, assinale a alternativa que apresenta a sequência correta.
( ) Reduz o suprimento de oxigênio e auxilia no controle da pressão arterial.
( ) Evita a redução do suprimento de oxigênio ao miocárdio e pode minimizar o risco de lesão cardíaca.
( ) Aumenta o suprimento de oxigênio ao miocárdio e pode provocar taquicardia e infarto agudo do miocárdio.
( ) Evita a anemia e hipotensão e contribui para a manutenção do nível de oxigênio ao miocárdio.
Provas
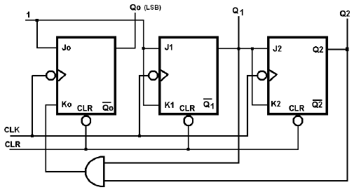
No contador visto na figura a seguir, considere que inicialmente a entrada clear foi acionada, levando as saídas dos flip-flops a zero, e que o pulso de clock está atuando sobre o circuito. A sequência correta de contagem que ele apresenta é igual a

Provas
Em relação ao osteoblastoma e ao osteoma osteoide, é incorreto afirmar que
Provas
Considerando etiologia, epidemiologia e patogênese da rinite alérgica, analise as afirmativas abaixo.
I. É uma doença inflamatória da mucosa nasal, caracterizada por rinorreia clara, congestão, prurido, espirros e irritação conjuntival.
II. Os principais alérgenos são: poeira, ácaros, fungos, epitélio, urina e saliva de animais (cães e gatos), baratas e menos comumente o pólen.
III. Na rinite alérgica intermitente, os sintomas estão presentes em mais de quatro dias por semana e em mais que quatro semanas.
IV. É considerada de intensidade moderada a grave quando estão presentes distúrbio do sono, prejuízo das atividades diárias, lazer ou esportes, prejuízos das atividades na escola e no trabalho; sintomas insuportáveis.
Está(ão) incorreta(s) somente a(s) afirmativa(s)
Provas
Pode-se descrever a claudicação intermitente como um sintoma provocado por
Provas
Caderno Container