Foram encontradas 900 questões.
Marque a alternativa que não representa indicação para cirurgia perirradicular.
Provas
Disciplina: Engenharia Cartográfica
Banca: DIRENS Aeronáutica
Orgão: CIAAR
A questão refere-se à imagem e ao texto a seguir:

Todos os mapas e/ou cartas são representações aproximadas da superfície terrestre, uma vez que a forma esférica da Terra é desenhada sobre uma superfície plana. A elaboração de um mapa/carta consiste em um método pelo qual se faz corresponder a cada ponto da superfície terrestre, como sendo a um ponto no mapa. Para se obter esta correspondência utilizam-se os sistemas de projeções cartográficas.
Os sistemas de projeções cartográficas que são classificados quanto à superfície de projeção, na ordem numérica, correspondem, respectivamente:
Provas
Provas
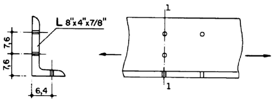
Determine a força admissível de tração axial da cantoneira da figura abaixo. Os furos são puncionados e o diâmetro do conector é 3/4”. Utilize as tensões admissíveis e 0,5fu. O material utilizado na cantoneira é ASTM A36. (Considere fy = 250 MPa e fu = 400 Mpa.)

Provas
A tomografia convencional ou radiografia seccional do corpo é capaz de tornar visíveis objetos situados em um determinado plano de corte, por meio da borração das imagens das estruturas fora do plano de interesse. Qual das técnicas tomográficas convencionais é considerada ideal para avaliação da maxila e mandíbula antes da colocação de implantes?
Provas
A substituição de um elemento unitário superior é uma das restaurações mais desafiadoras em odontologia. As características inerentes aos implantes dentários têm tornado esse o tratamento preferencial. Qual das características abaixo é uma contraindicação para implante unitário anterior?
Provas
Provas
Após a confirmação do diagnóstico histopatológico de câncer, o tratamento oncológico é iniciado com o procedimento de estadiamento, que irá auxiliar no planejamento terapêutico, prognóstico e na avaliação dos resultados. O estadiamento refere-se à, exceto:
Provas
Com relação à colagem de braquetes, o sucesso nesse procedimento requer conhecimento e fidelidade aos princípios da odontologia preventiva e ortodontia. Quais as etapas para colagem de braquetes?
Provas
Sobre os materiais de moldagem tipo elastômeros, informe se as afirmativas abaixo são verdadeiras (V) ou falsas (F) e, em seguida, assinale a alternativa que apresenta a sequência correta.
( ) Os poliéteres apresentam considerável rigidez após a polimerização, dificultando a remoção do molde.
( ) A estabilidade dimensional de vários dias acrescenta uma vantagem considerável aos polivinilsiloxanos, em especial se comparado ao silicone por condensação.
( ) Nem mesmo a adição de surfactantes pelos fabricantes de polivinilsiloxanos consegue melhorar a “molhabilidade” e assim facilitar o vazamento com gesso.
( ) A aplicação de forças repetitivas no sentido oblíquo, para remoção de moldes de poliéteres, não influencia na deformação permanente, já que é um elastômero.
Provas
Caderno Container