Foram encontradas 780 questões.
Sobre o protocolo H . 323, assinale a alternativa correta.
Provas
Provas
Em conformidade com Lopes (2015), quanto aos aspectos do uso da radiografia na endodontia, analise as afirmativas abaixo
I. As imagens radiográficas devem possibilitar a observação e a identificação de imagens radiolúcidas compatíveis com lesão de cárie, presença de materiais restauradores, forradores e retentores intrarradiculares.
II. A identificação de materiais obturadores que possam estar preenchendo total ou parcialmente o canal radicular (tratamento endodôntico prévio) deve ser feita antes do início do tratamento através do uso de radiografias.
III. Uma cicatriz apical, resultado de cura de lesão perirradicular de origem endodôntica, se apresenta na radiografia como uma imagem radiopaca.
IV. A imagem de um dente que apresenta a radiolucidez do canal interrompida pode significar, provavelmente, a presença de mais de um canal.
Estão corretas apenas as afirmativas
Provas
Assinale a alternativa correta sobre a periimplantite.
Provas
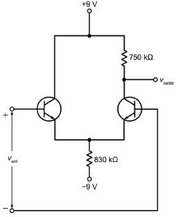
A figura a seguir demonstra como obter um amplificador diferencial a partir de dois transistores bipolares, onde vent e vsaída são as tensões de entrada e de saída do circuito. Considerando que ambos os transistores são idênticos e que a tensão base-emissor seja igual a 0,7 V, para vent = 0, qual o valor da vsaída?

Provas
Provas
Disciplina: TI - Desenvolvimento de Sistemas
Banca: DIRENS Aeronáutica
Orgão: CIAAR
A classe é a unidade fundamental de um sistema OO. Consequentemente, médias e métricas para uma classe individual, para a hierarquia de classes e para as colaborações entre classes serão de grande valor para um engenheiro de software que precisa avaliar a qualidade do projeto. Assim, são métricas conhecidas como “conjunto de métricas CK” (Chidamber e Kemerer):
I. Coupling between object classes (CBO);
II. Lack of cohesion in methods (LCOM).
III. Weighted methods per class (WMC)
IV. Method inheritance factor (MIF);
V. Number of children (NOC)
VI. Coupling factor (CF)
Está correto apenas o que se afirma em
Provas
Um sistema PCM com 1 6 níveis e 10 Mbps apresenta uma largura de banda de 1,625 MHz. O valor aproximado do fator de decaimento (roll-off) deste sistema é
Provas
Qual a quantidade de álcool ingerida a cada dose de 15mL de Elixir de Malva, que é preparado com 10% v/v de extrato fluido, que contém cerca de 15% v/v de álcool?
Provas
Sobre os registros interoclusais laterais, analise as afirmativas a baixo.
I. São feitos na boca, a fim de captar a posição dos côndilos em suas respectivas cavidades.
II. Esses registros são depois usados para colocar os guias condilares nos limites anatômicos aproximados das articulações temporomandibulares.
III. Permitem que se tire vantagem máxima do uso do articulador, o que torna mais precisa a construção de restaurações com tempo mínimo de ajuste intrabucal, exceto se a restauração é cimentada.
Estão corretas as afirmativas
Provas
Caderno Container