Foram encontradas 60 questões.
Tiristores englobam uma família de dispositivos semicondutores multicamadas, que operam em regime de chaveamento, tendo em comum uma estrutura de no mínimo quatro camadas semicondutoras numa sequência P-N-P-N (três junções semicondutoras).

Fonte: Arquivo Banca Elaboradora.
Qual o tipo de tiristor está representado pela figura?
Provas
O pai do herói autista
O canadense David Shore é o criador da série The Good Doctor, cujo personagem é Shaun Murphy, um médico dividido entre seus tormentos pessoais e a capacidade extraordinária de salvar vidas. Com o excelente Freddie Highmore na pele de um jovem cirurgião autista, a série, constituída de vários episódios, caiu nas graças dos brasileiros. Em parte da entrevista transcrita a seguir, Shore fala sobre os desafios para fazer de um autista um personagem tão pop.
Um diferencial de The Good Doctor é dar ao espectador a sensação de ver o mundo como um autista. Por que essa preocupação com as filigranas sensoriais? Não queria que as pessoas simplesmente vissem um autista na tela, mas que pudessem se identificar com ele e se colocassem no lugar de Shaun para poderem entendê-lo e amá-lo. Shaun não é perfeito, mas é o nosso herói, e ele tenta superar seus desafios com destemor. Queria que o público embarcasse nessa jornada de superação.
Como as pessoas com autismo e seus familiares têm reagido à série? Criaram-se expectativas. Foi muito gratificante. Havia nervosismos por parte da comunidade autista antes de a série ir ao ar, mas as respostas foram emocionantes e acolhedoras. Infelizmente existe muita conversa sobre diversidade na televisão, mas a realidade dos autistas nunca tinha sido abordada o suficiente. Eu sabia do risco de não agradar a todos, mas me sinto bem por ter feito um personagem como Shaun. Tenho orgulho dele.
Shaun enfrenta percalços como a falta de confiança dos pacientes e o desprezo dos colegas de profissão. Autistas que tentam trabalhar de forma regular vivem problemas semelhantes? Sim. Alimentei-me de muitas leituras e informações sobre isso. Os autistas enfrentam preconceitos, suposições, julgamentos injustos e prematuros. Todos nós, em alguma medida, encaramos desafios e somos julgados o tempo todo. Mas é um processo mais extremo para Shaun, sem dúvida. E o fato de ele não ficar para baixo nunca é uma das coisas mais inspiradoras para mim. Ele exibe uma atitude tão saudável que nos ensina a viver bem a vida.
Veja. 18 set. 2019, edição nº 2652, p. 110-101. Adaptado.
O texto O pai do herói autista apresenta partes de uma entrevista feita com o canadense David Shore, criador de The Good Doctor, uma série televisiva atual.
Considerando-se a entrevista como um gênero textual que circula, geralmente, na esfera jornalística, preencha as lacunas a seguir.
A entrevista é um texto _______________ cujo objetivo primordial é o de transmitir ao leitor _______________ e informações de uma pessoa conhecedora do assunto abordado. Nas perguntas feitas, o entrevistador apresenta a ideia essencial que _______________ o pensamento do entrevistado. É feita oralmente e depois transcrita para publicação, quando se suprimem as marcas de _______________.
A sequência que preenche corretamente as lacunas é
Provas
Observe a figura a seguir.

Fonte: Arquivo Banca Elaboradora.
A figura representa qual tipo de transistor?
Provas
O Datasheet de um JFET fornece os seguintes valores típicos:
IDSS = 15mA.
VGS (corte) = - 4,5V.
A partir desses valores, o resultado da corrente de dreno para VGS - 2V é
Provas
As famílias de circuitos lógicos são divididas de acordo com as estruturas internas de construção desses circuitos. Cada família lógica utiliza componentes diferentes, e isto a diferenciará entre elas.
Partindo desse princípio, qual dos itens abaixo melhor definirá as características da família TTL?
Provas
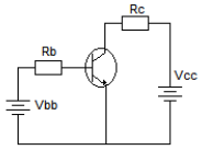
Observe o circuito a seguir.

Fonte: Arquivo Banca Elaboradora.
Qual o valor da corrente de base do circuito apresentado, considerando Vbb = 7V, Vcc = 12V, VBE = 0,7V, VCE = 0,4V, Rc = 2,2K!$ \Omega !$ e Rb = 860K!$ \Omega !$?
Provas
Com 'Parasita’, Hollywood reconhece que inovação no cinema vem do Oriente
Inácio Araújo*
“Parasita” conseguiu, para resumir, o que nem Itália nem Japão, em seus melhores dias, conseguiram: ser o centro de uma cerimônia destinada, até aqui, a celebrar Hollywood, seu estilo de filmes, sua força mercadológica. Caso os apreciadores de bons filmes concordassem e, se a crítica ratificasse, com “Parasita” o Oscar 2020 reconheceria que o eixo principal da inovação cinematográfica vem, e há décadas, da Ásia.
Ao tratar de conflitos do desenvolvimento atrasado e veloz da Coreia do Sul, Bong Joon-ho, o diretor, acertou na mosca: falou ao mundo inteiro dos desequilíbrios demenciais do capitalismo contemporâneo.
Mas convém não esquecer, sobretudo, a grande enchente que assola Seul e alaga a casa da família pobre: é também dos desequilíbrios climáticos brutais contemporâneos que “Parasita” trata.
Toda essa novidade veio num ano em que os indicados estiveram muito acima da média habitual. Pelo menos “O Irlandês”, “Coringa”, “História de um Casamento” e “Era Uma Vez em... Hollywood” destacaram-se recentemente, para não falar da proeza, mais técnica do que outra coisa, de “1917”.
Seja como for, era tido como favorito por muitos desde que levou, também surpreendentemente, o Globo de Ouro.
* Articulista da Folha.
Folha de São Paulo. Ilustrada, 11 fev. 2020, p. C1. Adaptado.
Tendo como base a significação contextual de palavras e expressões, preencha corretamente as lacunas do texto a seguir.
Na língua portuguesa há porções de frases cujo significado ultrapassa o sentido _______________ das suas partes. Significam mais do que a interpretação das palavras que as compõem, implicando uma leitura contextual. São comumente utilizadas na linguagem _______________ e algumas estão muito enraizadas na cultura linguística dos falantes. Um exemplo desse tipo de expressão presente no texto Com ‘Parasita’, Hollywood reconhece que inovação no cinema vem do Oriente é “_______________”.
A sequência que preenche corretamente as lacunas é
Provas
Com 'Parasita’, Hollywood reconhece que inovação no cinema vem do Oriente
Inácio Araújo*
“Parasita” conseguiu, para resumir, o que nem Itália nem Japão, em seus melhores dias, conseguiram: ser o centro de uma cerimônia destinada, até aqui, a celebrar Hollywood, seu estilo de filmes, sua força mercadológica. Caso os apreciadores de bons filmes concordassem e, se a crítica ratificasse, com “Parasita” o Oscar 2020 reconheceria que o eixo principal da inovação cinematográfica vem, e há décadas, da Ásia.
Ao tratar de conflitos do desenvolvimento atrasado e veloz da Coreia do Sul, Bong Joon-ho, o diretor, acertou na mosca: falou ao mundo inteiro dos desequilíbrios demenciais do capitalismo contemporâneo.
Mas convém não esquecer, sobretudo, a grande enchente que assola Seul e alaga a casa da família pobre: é também dos desequilíbrios climáticos brutais contemporâneos que “Parasita” trata.
Toda essa novidade veio num ano em que os indicados estiveram muito acima da média habitual. Pelo menos “O Irlandês”, “Coringa”, “História de um Casamento” e “Era Uma Vez em... Hollywood” destacaram-se recentemente, para não falar da proeza, mais técnica do que outra coisa, de “1917”.
Seja como for, era tido como favorito por muitos desde que levou, também surpreendentemente, o Globo de Ouro.
* Articulista da Folha.
Folha de São Paulo. Ilustrada, 11 fev. 2020, p. C1. Adaptado.
Leia o slide a seguir.

Disponível em: <https://pt.slideshare.net/DiegoPrezia/numerais-30801152>.
Acesso em: 10 fev. 2020.
É correto afirmar que a palavra especificamente está grafada entre vírgulas pelo mesmo motivo que esse sinal gráfico foi empregado em
Provas
Como premiar a moderação na rede?
Ronaldo Lemos*
Quer ter uma experiência completamente diferente da internet? Basta instalar no seu navegador o plug-in chamado Demetricator. Ele oculta totalmente os likes, coraçõezinhos, joinhas, retuítes, compartilhamentos mas também outras métricas que são usadas para indicar quantas pessoas se “engajaram” com uma publicação.
A experiência é atordoante. Vivenciei-a. Estamos tão acostumados a enxergar os números das reações que vêm com cada publicação. Após enxergar um post sem esses números, somos obrigados a ver o conteúdo por si só, nu e cru, sem adornos, e a pensar qual o valor que aquilo tem por si.
Esse experimento com o Demetricator pode ajudar a melhorar o sistema e o acesso à internet. O estado geral da rede hoje é de inflamação generalizada. Por causa desses números (likes, compartilhamentos, retuítes), as redes sociais se tornaram um concurso de histeria. Ganha quem é mais histriônico, chocante ou apelativo.
Um caminho é repensar a arquitetura das redes sociais. É preciso criar mecanismos mais sofisticados de indexar a importância do que é publicado por meio delas. Hoje, o mecanismo é simples: quanto mais radical um post, mais engajamento ele gera, o que, por sua vez, leva a mais distribuição e ainda mais engajamento.
Essa dinâmica não precisa ser assim. Esse desenho premia o extremismo. É possível sim um desenho que premie racionalidade e moderação.
Criar uma métrica assim permitiria que os usuários organizassem sua experiência na rede. Quem quisesse ver histeria ficaria livre para isso. Mas quem estivesse cansado e quisesse moderação, em vez de radicalização inflamatória, selecionaria essa outra opção, que hoje não existe.
Em outras palavras, criar outros critérios de organização da informação e deixar que os usuários decidam como querem ver suas timelines é um caminho promissor: traz mais racionalidade à internet.
* Advogado, diretor do Instituto de Tecnologia e Sociedade do Rio de Janeiro.
Folha de S. Paulo. Mercado, p. A 20, 8 abr. 2019. Adaptado.
É correto afirmar que uma estratégia argumentativa utilizada pelo autor é
Provas
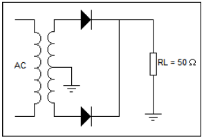
Retificadores são circuitos eletrônicos que convertem a tensão alternada em tensão contínua. Observe a imagem a seguir.

Fonte: Arquivo Banca Elaboradora.
Considerando um retificador de onda completa, sem filtro a capacitor, construído com diodos de silício ideais, utilizando um transformador com tensão no secundário de 80Vac, calcule o valor da corrente direta (Io) e a tensão de pico inversa (PIV) através de cada diodo.
Provas
Caderno Container