Foram encontradas 780 questões.
A análise de um circuito linear pode ser realizada com a aplicação de certas técnicas, tais como a análise nodal e a de malha.
Sobre a análise nodal, é observável que ela é
Provas
Analise as asserções a seguir e a relação proposta entre elas.
I. A internet produz alterações profundas no modo como os cidadãos se comunicam.
PORQUE
II. Com as novas tecnologias ao alcance de tantos milhões de usuários, qualquer um pode se tornar um emissor.
Sobre essas duas afirmativas, é correto afirmar que a/as
Provas
Em relação à reação do tecido ósseo quando sobre forças ortodônticas aplicadas nos elementos dentais é correto afirmar que sua reação é no sentido de
Provas
Preencha corretamente as lacunas.
Barramentos são elementos de seção transversal instalados no interior de quadros de comando ou em subestações abrigadas com a finalidade de ______________ as _________________ que chegam da fonte e ______________ aos diversos alimentadores a eles conectados.
A sequência que preenche corretamente as lacunas do texto é
Provas
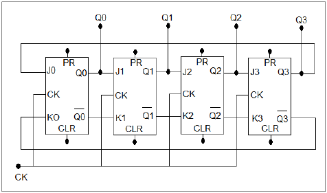
Observe o circuito a seguir.

Considerando que inicialmente as entradas de clear e preset sejam acionadas, gerando na saída do circuito o código Q3=0, Q2=0, Q1=0, QO=1, qual deverá ser a sequência apresentada nas saídas Q do circuito apresentado?
Provas
Analise as afirmativas sobre criptografia de dados em uma rede.
I. As cifras de bloco são utilizadas pelo protocolo SSL, que torna as conexões TCP seguras.
II. Na criptografia de chave simétrica, a chave é secreta e compartilhada entre o remetente e o destinatário.
III. Na criptografia de chave pública, o remetente e o destinatário compartilham uma chave pública e uma chave privada.
IV. A identificação do uso do protocolo IPsec pelo browser pode ser verificado quando a URL se iniciar com https: em vez de http:.
Está correto apenas o que se afirma em
Provas
Estas células especializadas, de origem hematopoiéticas, têm a capacidade de se aderir à matriz óssea, além de secretarem enzimas ácidas que degradam os minerais e componentes orgânicos do osso.
Trata-se do
Provas
Analise as asserções a seguir e a relação proposta entre elas.
I. As fontes jornalísticas são pessoas, são grupos, são instituições sociais ou são vestígios – falas, documentos, dados – que remetem para posições e relações sociais, para interesses e pontos de vista, para quadros espaço-temporalmente situados.
PORQUE
II. As fontes a que os jornalistas recorrem ou que procuram os jornalistas são entidades desinteressadas, quer dizer, deixam de estar implicadas socialmente ao desenvolverem sua atividade a partir de ações indeterminadas.
Sobre essas duas afirmativas, é correto afirmar que a/as
Provas
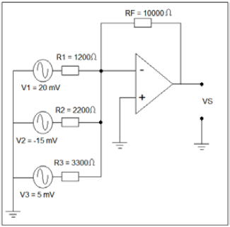
Os amplificadores operacionais são circuitos integrados capazes de amplificar um sinal de entrada além de realizar operações matemáticas, como, por exemplo, soma, subtração, derivação, integração e multiplicação.
Observe o circuito a seguir.

Fonte: Arquivo Banca Elaboradora.
Qual o valor da tensão apresentada na saída do circuito?
Provas
Paciente adulto, jovem, apresenta uma lesão no dente 47, de acesso apenas oclusal, englobando esmalte e praticamente toda extensão da dentina. Tem-se uma cavidade muito profunda, sem exposição pulpar.
A sequência correta correspondente à aplicação de materiais para a proteção do complexo dentino-pulpar e a restauração direta é
Provas
Caderno Container