Foram encontradas 30 questões.
A solução da equação diferencial \( \dfrac{d^2y}{dt^2}+4\dfrac{dy}{dt}+29y-0 \), sendo \( y(0)=0 \) e \( \dfrac{dy}{dt}(0)=1 \) é:
Provas

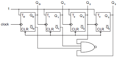
O circuito ilustrado na figura acima representa um contador seqüencial, onde Q3 é o bit mais significativo e seu estado inicial é Q3 = Q2 = Q1 = Q0 = 0. O número de estados desse circuito é:
Provas
Considere a função \( f(t) = Ae^{-\alpha|t|} \) onde \( A \) e \( \alpha \) são constantes e \( \alpha > 0 \). A Transformada de Fourier de \( f(t) \) é
Provas
A figura abaixo ilustra um Mapa de Karnaugh de quatro variáveis.

Considerando-se que X representa uma condição irrelevante, a expressão lógica correspondente à situação apresentada na figura é:
Provas

O diagrama da figura acima mostra uma malha de realimentação, característica de sistemas de controle. Para que a função de transferência do sistema em malha fechada garanta a existência de dois pólos imaginários puros, o valor do ganho K deverá ser:
Provas
Com relação ao gráfico do “Lugar das Raízes”, pode-se dizer que:
Provas
Considere a seqüência discreta gerada pela expressão: \( x(n)=\sum\limits^n_{k=0}a^k \). A transformada Z aplicada à seqüência \( x(n) \) conduz à expressão:
Provas
Um determinado circuito possui função de transferência \( G(s)=\dfrac{1}{s+6} \). No momento em que a entrada é alimentada com o sinal \( V_{in}(t)=5sen(8t+\pi/6) \), o ganho em dB do circuito em regime permanente é:
Provas

A figura acima mostra o sinal de uma tensão periódica ao longo do tempo. Com base nos dados do gráfico, o valor da tensão eficaz em Volt é:
Provas
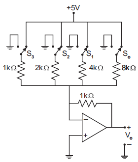
A figura abaixo ilustra um conversor Digital-Analógico, onde as chaves representam os níveis lógicos do sinal digital e o amplificador operacional é considerado ideal.

Sabendo-se que a chave S3 corresponde ao bit mais significativo e que +5 V representa o nível lógico “1”, o conjunto de bits na entrada que gera a tensão de saída Vo= –3,75V é:
Provas
Caderno Container