Foram encontradas 30 questões.

A figura acima mostra uma árvore de diretórios no Windows Explorer. O desenho de uma “mão” abaixo da pasta DOC indica que ela:
Provas
Um usuário recebeu uma pequena ficha de inventário da equipe de suporte de infomática, solicitando três informações a respeito do PC que ele utiliza na empresa. A ficha com as respostas fornecidas pelo usuário é apresentada abaixo.
|
FICHA DE INVENTÁRIO |
|
|
Informação Solicitada pelo Suporte |
Resposta do Usuário |
|
I - Endereço IP |
98 |
|
II - Sistema Operacional |
Microsoft Office 2000 |
|
III - Quantidade de Memória RAM |
64 MB |
Qual(is) das respostas fornecidas pelo usuário NÃO é(são) compatível(eis) com a(s) informação(ões) solicitada(s)?
Provas
Qual das opções abaixo corresponde à perspectiva dimétrica?
Provas
Qual das afirmativas abaixo, relativas a lugar geométrico, NÃO está correta?
Provas
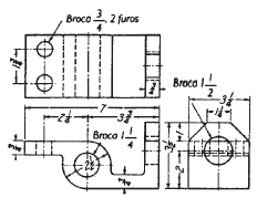
Em uma matriz progressiva de estampo de corte e dobra, qual o tipo de corte a ser aplicado?
Provas
Das alternativas abaixo, qual apresenta engrenagem do tipo envolvente com engrenamento externo?
Provas
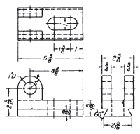
Observe os projetos abaixo.

São considerados bem feitos, por obedecerem à técnica correta, os projetos:
Provas
Indique a definição INCORRETA.
Provas
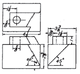
Das figuras abaixo, assinale aquela em que há necessidade de se acrescentar linha de contorno visível e/ou linha de contorno invisível.
Provas
Assinale o gráfico que corresponde corretamente à relação entre a(s) curva(s) da tensão (eixo das ordenadas) e o número de ciclos (eixo das abscissas) de um componente mecânico.
Provas
Caderno Container