Foram encontradas 30 questões.
Disciplina: Segurança e Saúde no Trabalho (SST)
Banca: CESGRANRIO
Orgão: CMB
Os riscos de acidentes variam para cada ramo de atividade econômica em função de tecnologias utilizadas, condições de trabalho, mão de obra empregada, medidas de segurança, dentre outros fatores.
Podem ser consequências de um acidente de trabalho, em qualquer ramo de atividade:
I - afastamento temporário do trabalho;
II - afastamento permanente total ou parcial;
III - óbito;
IV - assistência médica.
Estão corretas as consequências
Provas
O desgaste frontal de uma ferramenta de usinagem ocorre na superfície de folga da ferramenta, causado pelo contato entre a ferramenta e a peça. Como possível causa para esse tipo de defeito, NÃO pode ser incluído(a) o(a)
Provas
Um corpo de prova, com comprimento inicial de 200 mm e seção transversal quadrada de 10 mm de lado, foi ensaiado em tração e apresentou um gráfico força x variação de comprimento, conforme ilustrado abaixo.

Os valores das forças e das variações de comprimentos nos pontos marcados são fornecidos abaixo.
| Ponto |
F (N) | !$ \Delta !$L (mm) |
| A | 20.000 | 0,200 |
| B | 20.000 | 0,300 |
| C | 30.000 | 0,600 |
| D | 25.000 | 0,700 |
O módulo de elasticidade do material da peça, em GPa, é igual a
Provas

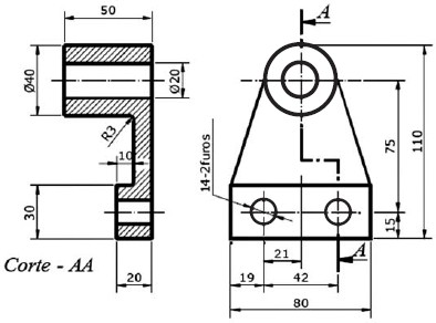
A quantidade de furos e os valores de seus diâmetros, em mm, da peça representada acima são, respectivamente,
Provas

Qual a intensidade da força de corte necessária para estampar, através de um punção plano, a peça ilustrada na figura acima?
(Considere a tensão de cisalhamento do material da chapa igual a 60 kgf/mm2 e a espessura da chapa igual a 2 mm. Desconsidere os efeitos do atrito.)
Provas

Na figura acima ilustra-se um conjunto eixo-polia, onde a potência média transmitida pelo eixo que gira a 1.800 rpm será igual a
Provas
Gabaritos são dispositivos que auxiliam nas diversas operações de usinagem e de montagem de peças e conjuntos. Assim, um gabarito é usado para furar, broquear, alargar, escarear, rosquear ou funciona em uma combinação dessas operações. Em construções de gabaritos,
Provas

Na figura acima ilustra-se uma ferramenta de estampo onde cada um dos elementos numerados de 1 a 7 representa:
| 1 | 2 | 3 | 4 | 5 | 6 | 7 |
Provas
Uma das aplicações mais comuns de parafusos e porcas é a de unir peças que podem estar submetidas a esforços estáticos ou dinâmicos. Em situações de montagem, onde o conjunto estará submetido a cargas vibratórias, é comum o uso de arruelas de pressão para
Provas

As medidas indicadas nos instrumentos ilustrados nas figuras acima são:
| Micrômetro |
Paquímetro | Goniômetro | Relógio Comparador |
Provas
Caderno Container