Foram encontradas 480 questões.
Maria quer comprar alguns sachês de sabonete líquido para encher um frasco, onde cabe, no máximo, 1,5 litro. Sabendo que cada sachê tem 220 mililitros, o menor número de sachês necessários para encher totalmente esse frasco é
Provas
Para chegar ao serviço, Clara utiliza o metrô e um ônibus. Certo dia, Clara gastou 55 minutos dentro do ônibus e 22 minutos dentro do metrô. O tempo total que Clara gastou dentro desses dois transportes foi
Provas
Um salão retangular tem 32 m2 de área. Se o comprimento desse salão é o dobro da sua largura, o perímetro desse salão é de
Provas
Um comércio tem 4 atendentes e, em determinado dia, foi realizada certa quantidade de vendas, das quais, Maria realizou um quinto dessa quantidade, Renato realizou um terço dessa quantidade, Rosa realizou um sétimo das vendas não realizadas por Maria e não realizadas por Renato, e Nelson realizou o restante das vendas, o que correspondeu a 18 vendas. O número de vendas realizadas por Renato foi
Provas
O segmento de reta da figura representa um trecho de uma estrada. Os pontos destacados dividem o segmento de reta em intervalos de medidas iguais. Esses pontos são os marcos quilométricos onde serão colocadas algumas placas. O ponto P representa o marco 5 e o ponto Q, o marco 89.

Nessa representação, o marco correspondente ao ponto X é
Provas
A frase – Alguns estilos de música ser mais tocados no Carnaval de Serra Negra, entretanto, qualquer expressão do estilo funk foi . – é completada, correta e respectivamente, por:
Provas
Certa vez estive presente numa reunião em Brasília se analisava decisão cogitada pelo governo federal. Surgiu uma dúvida jurídica e quem conduzia reunião disse que recorreria “turma do depende”, referindo-se assessoria jurídica disponível. Um de seus membros veio reunião e a dúvida existente foi-lhe apresentada. Começou responder dizendo: “Depende...”. E veio uma gargalhada geral. A razão foi-lhe explicada.
(Roberto Macedo, “Quanto crescerá o PIB em 2020? Depende...”. https://opiniao.estadao.com.br. 20.02.2020. Adaptado)
Em conformidade com a norma-padrão, as lacunas dos enunciados devem ser preenchidas, respectivamente, com:
Provas
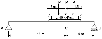
De acordo com a figura, para o projeto de uma ponte com 27 m de vão considerou-se uma carga móvel composta por 3 cargas concentradas iguais de P = 200 kN e uma carga permanente uniformemente distribuída de 40 kN/m.

O momento fletor no ponto C, em kNm, é:
Provas
A viga em balanço da figura está submetida a uma carga concentrada de 6,48 kN em sua extremidade livre.

Se o módulo de elasticidade da viga é 200 GPa, e o momento de inércia de sua seção transversal é 720 cm4, o deslocamento vertical na extremidade livre da viga é:
Provas
A viga biapoiada da figura está submetida a uma carga uniformemente distribuída de 10 kN/m, conforme ilustra a figura.

O momento fletor máximo, em kNm, é:
Provas
Caderno Container