Foram encontradas 311 questões.
1627514
Ano: 2008
Disciplina: Segurança e Saúde no Trabalho (SST)
Banca: PUC-PR
Orgão: COPEL
Disciplina: Segurança e Saúde no Trabalho (SST)
Banca: PUC-PR
Orgão: COPEL
Provas:
Com relação à NR-26 – Sinalização de Segurança, podemos dizer sobre a cor vermelha:
I- O vermelho deverá ser usado para distinguir e indicar equipamentos e aparelhos de proteção e combate a incêndio.
II- Deverá ser usado na indústria para assinalar perigo, por ser de pouca visibilidade em comparação
com o amarelo (de alta visibilidade.)
com o amarelo (de alta visibilidade.)
III- É empregado para identificar: caixa de alarme de incêndio, hidrantes, extintores e sua localização.
IV- A cor vermelha deve ser usada para rede de água para incêndio (sprinklers) e bombas de incêndio.
Provas
Questão presente nas seguintes provas
Proteção social se realiza por meio da aquisição por parte de indivíduos, grupos e coletividades, de bens materiais e imateriais.
Poderíamos indicar como bens imateriais necessários aos indivíduos:
Provas
Questão presente nas seguintes provas
Assinale a alternativa INCORRETA:
Provas
Questão presente nas seguintes provas
Se “espetarmos” duas lâminas (uma de cobre e uma de zinco) em um limão poderá surgir uma diferença de nos terminais dessas lâminas.
Com base neste contexto, considere as afirmativas:
I- Essa descrição refere-se a uma pilha química.
II- Para equipamentos que funcionam com baixa tensão, esse dispositivo representa a fonte de energia ideal, pois é capaz de fornecer corrente de até 0,79 A.
III- A resistência interna dessa fonte de tensão não se altera mesmo quando não existe mais soluto.
IV- Um multímetro utilizado para medir essa diferença de potencial deve ser configurado para medidas em corrente alternada.
Está CORRETA ou estão CORRETAS:
Provas
Questão presente nas seguintes provas
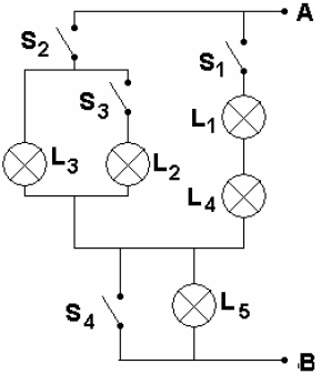
Considerando que todas as lâmpadas da figura são de 50 W / 100 V, conecta-se uma fonte de tensão de 100 V aos terminais A e B.
Qual das alternativas corresponde à potência dissipada pelo circuito quando forem acionados os interruptores S1, S2 e S4?

Provas
Questão presente nas seguintes provas
Sobre Progressão Geométrica, considere as seguintes afirmativas:
I- Uma sequência de números, não nulos, é uma P.G. se, e somente se, cada um de seus termos, a partir do segundo, for igual ao anterior multiplicado por uma constante.
II- (1, -10, 100, -1000,...) é uma Progressão Geométrica de razão -10.
III- A razão de uma Progressão Geométrica de 6 termos, na qual o produto dos dois primeiros termos é 4 e o produto dos dois últimos termos é 16, é !$ q = \sqrt[4] {2} !$ .
IV- Dados três termos consecutivos de uma Progressão Geométrica, o termo do meio é a média aritmética dos outros dois.
Estão CORRETAS:
Provas
Questão presente nas seguintes provas
Com relação ao circuito pneumático, pode-se afirmar que:

Provas
Questão presente nas seguintes provas
“Leilões de transmissão e geração, audiências e consultas públicas, e uma infinidade de ações da Agência Nacional de Energia Elétrica (ANEEL) despertam enorme interesse da sociedade. Para fazer frente a esta demanda, a ANEEL distribui textos em veículos de comunicação de todo o país com informações sobre a Agência. E também envia textos para as pessoas que se cadastram no seu site com interesses específicos no setor elétrico.”
(Disponível em http://www.aneel.gov.br/area.cmf.?idarea=90.aCESSO em:09maio2008.)
Podemos afirmar que:
I- “Leilões de transmissão e geração,...”, a vírgula está separando um vocativo.
II- O uso da vírgula após o verbo “despertam” é inaceitável, pois separaria o complemento do verbo “ enorme interesse da sociedade.”
III- “Para fazer frente a esta demanda,” a vírgula está separando um aposto restritivo.
II- O uso da vírgula após o verbo “despertam” é inaceitável, pois separaria o complemento do verbo “ enorme interesse da sociedade.”
III- “Para fazer frente a esta demanda,” a vírgula está separando um aposto restritivo.
Está CORRETA ou estão CORRETAS:
Provas
Questão presente nas seguintes provas
Leia com atenção o texto e complete, na ordem, as lacunas com as palavras apropriadas.
“Termos de
As para de concessão para
exploração de aproveitamentos hidrelétricos e de transmissão realizados pela ANEEL estão resumidas nas tabelas a seguir, onde pode-se observar, além das datas marco de cada uma das licitações, o resultado das mesmas, incluindo os valores mínimos e pagos, bem como os respectivos vencedores. (...)”
exploração de aproveitamentos hidrelétricos e de transmissão realizados pela ANEEL estão resumidas nas tabelas a seguir, onde pode-se observar, além das datas marco de cada uma das licitações, o resultado das mesmas, incluindo os valores mínimos e pagos, bem como os respectivos vencedores. (...)”
(Disponível em: <http://www.aneel.gov.br/area.cfm.?idarea=588idPerfil=5.Acesso em:14maio2008.)
Provas
Questão presente nas seguintes provas
A e B são dois pontos consecutivos de uma poligonal. Sendo que as coordenadas do ponto A são xA = 0, yA = 0, a distância medida entre os pontos A e B é de 50m, o azimute da direção AB é 30o. Sabe-se ainda que sen 30o = 0,50 e cos 30º = 0,87.
Nessas condições, as coordenadas do ponto B são aproximadamente:
Provas
Questão presente nas seguintes provas
Cadernos
Caderno Container