Foram encontradas 50 questões.
O processo de soldagem no qual um arco elétrico, protegido pelo fluxo de um gás inerte, funde continuamente um arame consumível, é conhecido como soldagem:
Provas
A norma brasileira NBR 10.126 define uma série de padrões de cotagem em desenho técnico que melhoram a sua interpretação e a perfeita confecção do objeto (peça, construção etc.). Com base nessa norma, identifique as afirmativas a seguir como verdadeiras (V) ou falsas (F):
( ) No caso de uso de uma unidade não predominante no desenho, a cota deve ser acompanhada do símbolo.
( ) A cotagem deve ser executada considerando-se a função, o método de fabricação e o controle de qualidade.
( ) Para melhor entendimento do objeto, deve-se cotar o elemento em todas as vistas que ele aparecer.
( ) A cotagem deve ser localizada na vista que melhor caracteriza o elemento.
Assinale a alternativa que apresenta a sequência correta, de cima para baixo.
Provas
O desenho ao lado corresponde às medições feitas em milímetros, em uma determinada peça mecânica. Considerando as medidas realizadas, é correto afirmar que a dimensão x é:

Provas
O desenho ao lado corresponde à leitura de um paquímetro.
Com base nesse desenho, a dimensão da peça medida é:

Provas
De acordo com o Sistema Internacional de Unidades (SI), a unidade de comprimento é o metro (m). No entanto, para conseguir elevados níveis de precisão dimensionais, muitas vezes necessários para a construção de máquinas, a tecnologia mecânica utiliza uma fração muito pequena do metro, ou seja, micrometro (mm). Sendo assim, 1 mm equivale a:
Provas
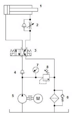
O desenho ao lado é uma representação esquemática de um circuito hidráulico. Considere este desenho para responder as questões 31 a 36.

O componente número 4 é:
Provas
O desenho ao lado é uma representação esquemática de um circuito hidráulico. Considere este desenho para responder as questões 31 a 36.

A válvula direcional tem acionamento:
Provas
O desenho ao lado é uma representação esquemática de um circuito hidráulico. Considere este desenho para responder as questões 31 a 36.

Considerando que a bomba seja de engrenagens e esteja em operação, identifique as afirmativas a seguir como verdadeiras (V) ou falsas (F):
( ) Se a válvula direcional estiver em repouso, o fluido recalcado pela bomba retornará ao reservatório por meio da válvula limitadora de pressão.
( ) Ao ser acionada a válvula direcional, o movimento de avanço do cilindro ocorrerá com velocidade controlada.
( ) A velocidade do movimento de retorno do cilindro será controlada por meio da válvula reguladora de vazão.
( ) Se o cilindro estiver avançando sob carga e a bomba for desligada sem alteração da posição da válvula direcional, o fluido retornará ao reservatório por ação da carga existente sobre o cilindro.
Assinale a alternativa que apresenta a sequência correta, de cima para baixo.
Provas
O desenho ao lado é uma representação esquemática de um circuito hidráulico. Considere este desenho para responder as questões 31 a 36.

Identifique, a seguir, os números correspondentes aos símbolos utilizados para:
( ) Manômetro.
( ) Válvula limitadora de pressão.
( ) Válvula direcional.
( ) Bomba.
Assinale a alternativa que apresenta a sequência correta, de cima para baixo.
Provas
Para medir dimensões de peças mecânicas, são muito utilizados os paquímetros e os micrômetros. Em relação a esses instrumentos de medição, considere as seguintes afirmativas:
1. Paquímetros alcançam maior grau de precisão do que micrômetros.
2. É possível medir a profundidade de um furo cego utilizando-se um paquímetro de orelha.
3. Não é possível fazer medições de diâmetros internos com micrômetros.
4. Com um paquímetro de orelha é possível medir a largura, o comprimento e a profundidade do rasgo de chaveta de um eixo.
Assinale a alternativa correta.
Provas
Caderno Container