Magna Concursos

Foram encontradas 486 questões.

184501 Ano: 2017
Disciplina: Engenharia Eletrônica
Banca: FADESP
Orgão: COSANPA
Provas:

A expressão boleana na saída Y do circuito lógico mostrado na figura abaixo é

enunciado 184501-1

 

Provas

Questão presente nas seguintes provas
184500 Ano: 2017
Disciplina: Engenharia Eletrônica
Banca: FADESP
Orgão: COSANPA

A transformada de Laplace da função temporal dada abaixo é

ƒ(t) = e-t cos(100t)

 

Provas

Questão presente nas seguintes provas
184499 Ano: 2017
Disciplina: Engenharia Eletrônica
Banca: FADESP
Orgão: COSANPA
A tabela-verdade abaixo representa uma etapa de um projeto que utiliza eletrônica digital, em que as entradas A, B e C representam a ocorrência de todas as possibilidades lógicas possíveis. Utilizando-se álgebra booleana, a resposta que representa a expressão minimizada da expressão S da tabela-verdade é
enunciado 184499-1
 

Provas

Questão presente nas seguintes provas
184498 Ano: 2017
Disciplina: Engenharia Eletrônica
Banca: FADESP
Orgão: COSANPA
Em relação à questão anterior, pode-se afirmar que o circuito eletrônico digital simplificado correspondente utilizará
 

Provas

Questão presente nas seguintes provas
184497 Ano: 2017
Disciplina: Engenharia Elétrica
Banca: FADESP
Orgão: COSANPA
Provas:
Na análise de uma edificação industrial com 18 metros de altura, verificou-se a necessidade de um sistema de proteção contra descargas atmosféricas. Em razão das grandes dimensões da edificação, foi projetada a cobertura em chapa de alumínio para servir como captor natural. Considerando que a espessura da chapa escolhida deve prevenir perfuração, pontos quentes ou ignição, sua espessura mínima deve ser de
 

Provas

Questão presente nas seguintes provas
184496 Ano: 2017
Disciplina: Engenharia Elétrica
Banca: FADESP
Orgão: COSANPA
Provas:

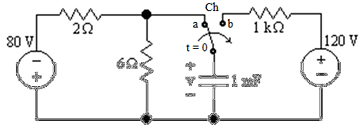
No circuito representado na figura abaixo, a chave Ch é comutada de a para b no instante zero. A partir deste momento, o instante em que a tensão no capacitor se anula é

enunciado 184496-1

 

Provas

Questão presente nas seguintes provas
184495 Ano: 2017
Disciplina: Engenharia Elétrica
Banca: FADESP
Orgão: COSANPA
Provas:
Os aparelhos de ar condicionado utilizam um transdutor para ligar e desligar o compressor, conforme as condições da temperatura no ambiente. O transdutor utilizado é o
 

Provas

Questão presente nas seguintes provas
184494 Ano: 2017
Disciplina: Engenharia Elétrica
Banca: FADESP
Orgão: COSANPA
Provas:
Os fios magnéticos esmaltados, usados nos enrolamentos de transformadores, bobinas, solenóides, geradores e motores elétricos, possuem uma escala própria para especificar sua seção sob o ponto de vista comercial. Esta escala é
 

Provas

Questão presente nas seguintes provas
184493 Ano: 2017
Disciplina: Engenharia Elétrica
Banca: FADESP
Orgão: COSANPA
Provas:
Segundo o site da ANEEL, “o Serviço de Energia Elétrica é essencial no dia a dia da sociedade, seja nas residências ou nos diversos segmentos da economia. Para o uso desse bem é necessária a aplicação de tarifas que remunerem o serviço de forma adequada, que viabilizem a estrutura para manter o serviço com qualidade e que criem incentivos para eficiência.” Seguindo tais preceitos, a ANEEL desenvolve metodologias de cálculo tarifário para segmentos do setor elétrico (geração, transmissão, distribuição e comercialização), considerando fatores como infraestrutura de geração, transmissão e distribuição, bem como fatores econômicos de incentivo à modicidade tarifária e sinalização ao mercado. As modalidades tarifárias são um conjunto de tarifas aplicáveis a componentes de consumo de energia elétrica e demanda de potência ativas. É correta a seguinte definição:
 

Provas

Questão presente nas seguintes provas
184492 Ano: 2017
Disciplina: Engenharia Elétrica
Banca: FADESP
Orgão: COSANPA
Provas:

A densidade de campo magnético, ou densidade de fluxo magnético, é uma grandeza vetorial representada pela letra B, como mostra o desenho abaixo, e é determinada pela relação entre o fluxo magnético e a área de uma dada superfície perpendicular à direção do fluxo magnético. A unidade de medida da densidade do fluxo magnético no Sistema Internacional de Unidades é

enunciado 184492-1

 

Provas

Questão presente nas seguintes provas