Foram encontradas 50 questões.
De acordo com a resolução nº 1.025, de 30 de outubro de 2009, assinale a alternativa CORRETA.
Provas
De acordo com a Resolução nº 1.066, de 25 de setembro de 2015, assinale a alternativa CORRETA.
Provas
De acordo com a Lei nº 5.194/66 que regula o exercício das profissões de Engenheiro e Engenheiro-Agrônomo, e dá outras providências", assinale a alternativa CORRETA.
Provas
De acordo com a Lei nº 9.784, de 29 de janeiro de 1999, que regula o processo administrativo no âmbito da Administração Pública Federal, assinale a alternativa INCORRETA.
Provas
As ferramentas gerenciais são recursos que quando bem utilizadas fomentam o negócio e favorecem os gestores por meio da gama de possibilidade de recursos a serem utilizados.
Assinale a alternativa cuja sigla corresponde ao tipo de sistema de gestão cujo foco principal é o relacionamento com cliente/cidadão customizando informações relativas a perfil, histórico de consumo ou utilização de serviços e servem como parâmetro para desenvolvimento da relação organização com o mercado ou público alvo.
Provas
Em uma instalação elétrica industrial, deve-se prever circuito de reserva nos Quadros de Distribuição de forma a satisfazer os critérios determinados pela NBR 5410. Deve ser considerado um espaço para no mínimo 4 circuitos de reserva, quando houver quadros de distribuição:
Provas
Ao longo de uma linha de distribuição de energia elétrica, ficam instalados diferentes tipos de consumidores, consequentemente, com diferentes hábitos de consumo. Para que a empresa distribuidora de energia possa realizar suas atividades de prestação de serviço de fornecimento de energia elétrica, agrupam-se esses consumidores por classes de consumo, que são estabelecidas a partir de um processo que as caracteriza por meio da identificação e da análise do comportamento da carga do consumidor e do sistema elétrico. Considerando a representação gráfica abaixo da carga em função do tempo, pode-se afirmar que:

Fonte: Vasconcelos, Fillipe Matos de. Geração, transmissão e distribuição de energia elétrica /Londrina : Editora e Distrib uidora Educacional S.A., 2017.
Provas
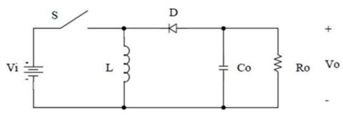
Os conversores CC-CC são classificados como sistemas formados por semicondutores de potência operando como interruptores onde sua principal função é controlar o fluxo de potência de uma fonte de entrada para uma fonte de saída. O esquema elétrico abaixo, refere-se ao:

FONTE: https://ojs.brazilianjournals.com.br
Provas
O diodo é um tipo de componente eletrônico semicondutor com dois terminais capaz de realizar a passagem de corrente elétrica, mas em apenas um único sentido. Dentre os tipos de diodos, assinale a alternativa abaixo que se refere àquele que é o resultado da modificação de um diodo comum projetado para agir de forma inversamente polarizada:
Provas
Os motores elétricos, ao serem ligados, instantaneamente, permitem que um grande fluxo de corrente elétrica circule através dos seus enrolamentos. Isso ocorre porque, estando parado, não há força contra-eletromotriz que se oponha ao fluxo de corrente. Ao iniciar as primeiras revoluções, com o surgimento da força contra-eletromotriz, o fluxo de corrente diminui e se estabiliza no seu valor nominal. O valor máximo instantâneo da corrente solicitada durante a partida varia em função do tipo de construção do motor e proporcionalmente a sua potência. Assinale a alternativa que se refere ao método de controle de partida caracterizado abaixo:
Controla a tensão sobre o motor através do circuito de potência, constituído por seis SCRs, variando o ângulo de disparo dos mesmos e consequentemente variando a tensão eficaz aplicada ao motor. Assim, pode-se controlar a corrente de partida do motor, de forma a não provocar quedas de tensão elétrica bruscas na rede de alimentação, como ocorre em partidas diretas.
Provas
Caderno Container