Foram encontradas 220 questões.

Com base no resultado do ensaio corriqueiro em laboratórios de engenharia acima apresentado, julgue o item.
Por meio desse gráfico, é possível determinar os coeficientes de uniformidade e curvatura.
Provas
As fundações são a infraestrutura de uma obra e transmitem as cargas da superestrutura para o subsolo. Quanto à execução das fundações, julgue o item.
Tubulão a céu aberto é o tipo de fundação escavada, manual ou mecanicamente, em que, pelo menos em sua etapa final, há descida de pessoal para alargamento da base ou limpeza do fundo quando não há base. Esse tipo de fundação é empregado acima do lençol freático.
Provas
As fundações são a infraestrutura de uma obra e transmitem as cargas da superestrutura para o subsolo. Quanto à execução das fundações, julgue o item.
A fundação do tipo estaca hélice contínua monitorada é moldada in loco, executada mediante a introdução no terreno, por rotação, de um trado helicoidal contínuo de diâmetro constante, sendo que a injeção de concreto é feita pela haste central do trado simultaneamente à sua retirada e a armadura é sempre colocada após a concretagem da estaca.
Provas
- EletrotécnicaCircuitos Elétricos em Eletricidade
- EletrotécnicaCircuitos de Corrente Contínua e de Corrente Alternada

A figura acima mostra um circuito elétrico simples, no qual medições são realizadas pelos instrumentos de medida IM 1 e IM 2, de forma a monitorar um espaço refrigerado por um módulo Peltier. A temperatura no interior do espaço refrigerado é medida pelo sensor T. Com relação a essa aplicação, julgue o item conforme o Sistema Internacional de Unidades (SI).
A potência elétrica consumida pelo módulo Peltier pode ser calculada pelas medições obtidas por IM1 e IM2, sendo representada corretamente em watt (W).
Provas
- EletrotécnicaCircuitos Elétricos em Eletricidade
- EletrotécnicaCircuitos de Corrente Contínua e de Corrente Alternada

A figura acima mostra um circuito elétrico simples, no qual medições são realizadas pelos instrumentos de medida IM 1 e IM 2, de forma a monitorar um espaço refrigerado por um módulo Peltier. A temperatura no interior do espaço refrigerado é medida pelo sensor T. Com relação a essa aplicação, julgue o item conforme o Sistema Internacional de Unidades (SI).
Por meio de IM 2, pode-se medir a diferença de potencial elétrico disponibilizada pela fonte. Esse valor deve ser apresentado na unidade volt, simbolizada pela letra V.
Provas
- EletrotécnicaCircuitos Elétricos em Eletricidade
- EletrotécnicaCircuitos de Corrente Contínua e de Corrente Alternada

A figura acima mostra um circuito elétrico simples, no qual medições são realizadas pelos instrumentos de medida IM 1 e IM 2, de forma a monitorar um espaço refrigerado por um módulo Peltier. A temperatura no interior do espaço refrigerado é medida pelo sensor T. Com relação a essa aplicação, julgue o item conforme o Sistema Internacional de Unidades (SI).
Por meio de IM 1, é possível medir a corrente elétrica, que deve ser apresentada na unidade ampère, simbolizada pela letra A.
Provas
- EletrotécnicaCircuitos Elétricos em Eletricidade
- EletrotécnicaCircuitos de Corrente Contínua e de Corrente Alternada
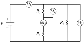
Em um experimento realizado em laboratório para uma aula de grandezas elétricas e instrumentos de medição, montou-se o circuito ilustrado na figura a seguir, que é composto por uma fonte de tensão CC com valor v de 20 V, conectada a resistores com valores R1 = 10 Ω, R2 = 15 Ω e R3 = 100 Ω. Os medidores M1 , M2 , M3 e M4 são ideais e estão corretamente conectados para seus devidos fins.

Com base nesse caso hipotético, julgue o item. ˑ
Caso o resistor R3 seja substituído por um capacitor, o medidor M3 indicará, em regime permanente de operação do circuito CC apresentado, um valor de tensão igual a 0 V.
Provas

Com relação à tipologia do texto, às ideias nele expressas e a seus aspectos linguísticos, julgue o item.
Na linha 16, o emprego do acento indicativo de crase em “às demandas” justifica-se pela regência do nome “adequados” e pela anteposição de artigo definido ao termo “demandas”.
Provas
Um pino cilíndrico será submetido a esforços de tração e deverá ser confeccionado com materiais cujas curvas tensão x deformação são mostradas no gráfico abaixo.

Com base nesse caso hipotético, julgue o item.
Utilizando-se o material II para fabricar o pino, para uma dada variação de carga, a deformação elástica sofrida pelo pino será menor que a deformação resultante do uso do material I.
Provas
A NR 10 estabelece os requisitos e as condições mínimas para a segurança e a saúde dos trabalhadores que interajam em instalações elétricas e serviços com eletricidade. Segundo essa NR, julgue o item.
Os estabelecimentos das empresas devem manter diagramas unifilares junto às suas instalações elétricas.
Provas
Caderno Container