Foram encontradas 70 questões.

Os circuitos de I a IV, cujos diagramas estão mostrados acima, utilizam diodos semicondutores que, quando estão em condução direta, apresentam queda de tensão constante e igual a 0,8 V entre o ânodo e o cátodo. Suponha que esses circuitos façam parte de um equipamento e que, durante procedimento de manutenção corretiva, as tensões indicadas por V m são medidas com o objetivo de tirar conclusões a respeito da existência ou não de defeito em algum dispositivo semicondutor. Considere que o defeito em um diodo é caracterizado pelo fato de ele estar em curto-circuito ou em circuito aberto, quando era esperado que o dispositivo estivesse conduzindo. Considere também que as resistências existentes nesses circuitos não apresentem alteração em seus valores. Diante do exposto, julgue os seguintes itens.
No circuito III, o diodo D2 deveria estar conduzindo, mas a tensão V m indica que esse dispositivo se encontra com defeito.
Provas

Os circuitos de I a IV, cujos diagramas estão mostrados acima, utilizam diodos semicondutores que, quando estão em condução direta, apresentam queda de tensão constante e igual a 0,8 V entre o ânodo e o cátodo. Suponha que esses circuitos façam parte de um equipamento e que, durante procedimento de manutenção corretiva, as tensões indicadas por V m são medidas com o objetivo de tirar conclusões a respeito da existência ou não de defeito em algum dispositivo semicondutor. Considere que o defeito em um diodo é caracterizado pelo fato de ele estar em curto-circuito ou em circuito aberto, quando era esperado que o dispositivo estivesse conduzindo. Considere também que as resistências existentes nesses circuitos não apresentem alteração em seus valores. Diante do exposto, julgue os seguintes itens.
No circuito III, não há necessidade de se retirar o diodo D1 do circuito para um teste eficaz com multímetro, pois, pelo valor de V m, esse diodo está funcionando corretamente.
Provas

Os circuitos de I a IV, cujos diagramas estão mostrados acima, utilizam diodos semicondutores que, quando estão em condução direta, apresentam queda de tensão constante e igual a 0,8 V entre o ânodo e o cátodo. Suponha que esses circuitos façam parte de um equipamento e que, durante procedimento de manutenção corretiva, as tensões indicadas por V m são medidas com o objetivo de tirar conclusões a respeito da existência ou não de defeito em algum dispositivo semicondutor. Considere que o defeito em um diodo é caracterizado pelo fato de ele estar em curto-circuito ou em circuito aberto, quando era esperado que o dispositivo estivesse conduzindo. Considere também que as resistências existentes nesses circuitos não apresentem alteração em seus valores. Diante do exposto, julgue os seguintes itens.
No circuito II, o diodo D1 está com defeito.
Provas

Os circuitos de I a IV, cujos diagramas estão mostrados acima, utilizam diodos semicondutores que, quando estão em condução direta, apresentam queda de tensão constante e igual a 0,8 V entre o ânodo e o cátodo. Suponha que esses circuitos façam parte de um equipamento e que, durante procedimento de manutenção corretiva, as tensões indicadas por V m são medidas com o objetivo de tirar conclusões a respeito da existência ou não de defeito em algum dispositivo semicondutor. Considere que o defeito em um diodo é caracterizado pelo fato de ele estar em curto-circuito ou em circuito aberto, quando era esperado que o dispositivo estivesse conduzindo. Considere também que as resistências existentes nesses circuitos não apresentem alteração em seus valores. Diante do exposto, julgue os seguintes itens.
No circuito I, o diodo D1 está com defeito.
Provas

Provas

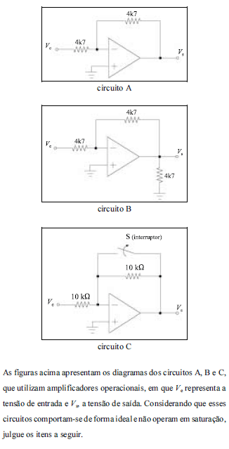
No circuito C, se o interruptor S estiver aberto e se V e for uma tensão senoidal com amplitude igual a 5 V, então a tensão de saída V s será também uma tensão senoidal com amplitude equivalente a –5 V.
Provas

No circuito B, se V e = 2,5 V, então V s = -1,25 V.
Provas

No circuito A, se V e = 2,5 V, então V s = -2,5 V.
Provas

O circuito A representa amplificador não-inversor.
Provas
Com relação aos dispositivos eletrônicos semicondutores, julgue os itens que se seguem.
Os transistores MOSFET apresentam baixa resistência entre a porta e qualquer um dos outros terminais.
Provas
Caderno Container