Foram encontradas 70 questões.

Sobre o dispositivo T, é correto afirmar que ele
Provas

Provas

Provas

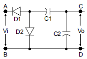
Sabendo-se que o valor eficaz da tensão Vi é Vef, o valor da tensão Vo é:
Provas

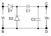
Deseja-se implementar um circuito dobrador de tensão, que recebe como tensão de entrada um sinal senoidal, e fornece como saída um sinal retificado e filtrado, com valor igual ao dobro do valor de pico do sinal senoidal. Um circuito que poderia ser implementado para atender ao especificado é:
Provas

Provas

Provas

Deseja-se ter a máxima potência na carga sem distorção, de forma que o ponto de operação mais adequado que pode ser escolhido na curva característica do transistor é o
Provas

Sobre o circuito, é correto afirmar que, em condições normais de polarização,
Provas

A tensão no ponto 1, em V, encontra-se na faixa:
Provas
Caderno Container