Foram encontradas 40 questões.
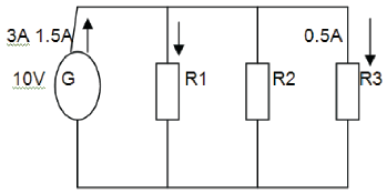
Observe o circuito da figura.

Qual é o valor de resistência do resistor R2?
Provas
O forjamento é um processo onde a partir do aquecimento de uma peça, altera-se o formato da mesma. Este processo é dividido em: repuxar ou puxar, encaldar, estampar, caldear e curvar. Em que consiste a operação caldear?
Provas
Em uma operação de dobrar uma cantoneira de 30mmX 30mmX 4mma fim de criar um ângulo de 60°, para que esta operação seja concluída com êxito, deverá ser calculada a folga da meia esquadria através da equação abaixo:
\( a={\large{s.2.Y. \pi \over 360}} \)
a = folga da meia esquadria.
s = espessura da aba.
Y= Ângulo a ser formado.
\( \pi \) = 3,14.
A medida da folga da meia esquadria é:
Provas
No sistema elétrico brasileiro, o padrão adotado de Frequência Nominal é:
Provas
Os sistemas elétricos normalmente são protegidos por disjuntores e fusíveis. Qual a função do disjuntor dentro de um sistema de proteção elétrico?
Provas
O método prático geométrico utilizado no canteiro de obras para estabelecer o esquadrejamento das alvenarias recorrendo ao sistema métrico é o triângulo:
Provas
Existem 4 fatores que influenciam de forma direta os valores da resistência elétrica nos circuitos elétricos. Esses fatores são:
Provas
Em um forno aquecedor de resistência de 4400 ohms submetida a uma tensão de 220 volts e corrente elétrica de 20 ampères, a resistência elétrica equivalente no momento desse curto-circuito é:
Provas
Em um trabalho elétrico se faz necessário o uso dos instrumentos de medição. Qual é a função do ohmímetro?
Provas
Quando em uma residência estamos com várias lâmpadas ligadas e é possível desligar uma, sem que todas se apaguem, tal fato mostra que o circuito foi ligado em:
Provas
Caderno Container