Foram encontradas 850 questões.

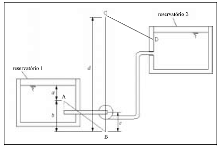
Considerando o sistema de recalque apresentado na figura acima e a respectiva linha piezométrica, em que a água é recalcada do reservatório 1 para o reservatório 2 com o auxílio de uma bomba, julgue os itens seguintes.
Provas
Questão presente nas seguintes provas
A captação de água subterrânea pode ser de extrema importância para
o consumo humano, e o projeto e a execução de poços de captação
requerem o conhecimento de conceitos de engenharia e, em algumas
situações, o atendimento a prescrições estabelecidas em normas
técnicas específicas. Com referência ao projeto e à construção de
poços para a captação de água subterrânea, julgue os itens
subseqüentes.
Furo-piloto corresponde à pré-perfuração do terreno para o
conhecimento da profundidade do nível de água na região e a
obtenção de amostras de água para a análise de qualidade.Provas
Questão presente nas seguintes provas
A captação de água subterrânea pode ser de extrema importância para
o consumo humano, e o projeto e a execução de poços de captação
requerem o conhecimento de conceitos de engenharia e, em algumas
situações, o atendimento a prescrições estabelecidas em normas
técnicas específicas. Com referência ao projeto e à construção de
poços para a captação de água subterrânea, julgue os itens
subseqüentes.
A lama para perfuração utilizada em poços perfurados pelo
método rotativo com circulação direta deve ter seus parâmetros
físico-químicos controlados durante os trabalhos, a fim de evitar
danos ao aqüífero e facilitar a limpeza do poço.Provas
Questão presente nas seguintes provas
A captação de água subterrânea pode ser de extrema importância para
o consumo humano, e o projeto e a execução de poços de captação
requerem o conhecimento de conceitos de engenharia e, em algumas
situações, o atendimento a prescrições estabelecidas em normas
técnicas específicas. Com referência ao projeto e à construção de
poços para a captação de água subterrânea, julgue os itens
subseqüentes.
Durante a perfuração de um poço, a amostragem do material
perfurado deve ser feita a cada 2,0 m e a cada mudança de
litologia.Provas
Questão presente nas seguintes provas
A captação de água subterrânea pode ser de extrema importância para
o consumo humano, e o projeto e a execução de poços de captação
requerem o conhecimento de conceitos de engenharia e, em algumas
situações, o atendimento a prescrições estabelecidas em normas
técnicas específicas. Com referência ao projeto e à construção de
poços para a captação de água subterrânea, julgue os itens
subseqüentes.
A cimentação de um poço ocorre quando o processo de
bombeamento da água provoca a migração de partículas finas do
solo do aqüífero na direção do sistema de filtro, entupindo-o.Provas
Questão presente nas seguintes provas
A captação de água subterrânea pode ser de extrema importância para
o consumo humano, e o projeto e a execução de poços de captação
requerem o conhecimento de conceitos de engenharia e, em algumas
situações, o atendimento a prescrições estabelecidas em normas
técnicas específicas. Com referência ao projeto e à construção de
poços para a captação de água subterrânea, julgue os itens
subseqüentes.
Entende-se por aqüífero a formação ou o grupo de formações
geológicas portadoras e condutoras de água subterrânea.Provas
Questão presente nas seguintes provas
Acerca dos vários fatores que podem influenciar o
desempenho de obras de concreto e que devem ser
controlados de modo que se garantam os requisitos mínimos
de segurança e qualidade de construções, julgue os itens que
se seguem.
O ensaio de abatimento de cone serve para a determinação da
massa específica do concreto no estado fresco.Provas
Questão presente nas seguintes provas
Acerca dos vários fatores que podem influenciar o
desempenho de obras de concreto e que devem ser
controlados de modo que se garantam os requisitos mínimos
de segurança e qualidade de construções, julgue os itens que
se seguem.
Em condições de laboratório, mantida a relação água/cimento
constante, a resistência à compressão de um concreto independe
do tipo de cimento usado mas depende significativamente da
idade do concreto escolhida para a realização do ensaio de
compressão.Provas
Questão presente nas seguintes provas
Acerca dos vários fatores que podem influenciar o
desempenho de obras de concreto e que devem ser
controlados de modo que se garantam os requisitos mínimos
de segurança e qualidade de construções, julgue os itens que
se seguem.
Mantido um mesmo traço, a mudança do tipo e das
características físicas dos agregados provoca alterações
no comportamento e nas características do concreto
fresco.Provas
Questão presente nas seguintes provas
Acerca dos vários fatores que podem influenciar o
desempenho de obras de concreto e que devem ser
controlados de modo que se garantam os requisitos mínimos
de segurança e qualidade de construções, julgue os itens que
se seguem.
O grau de hidratação do cimento não afeta a resistência
à compressão do concreto.Provas
Questão presente nas seguintes provas
Cadernos
Caderno Container