Foram encontradas 45 questões.
Assinale a alternativa que indica um dispositivo que pode ser utilizado para medir diretamente a tensão em um resistor.
Provas
Em relação aos conceitos de instalações elétricas, assinale a alternativa incorreta.
Provas
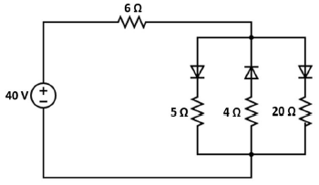
Os diodos presentes no circuito a seguir podem ser considerados como ideais.

Os valores, em módulo, das correntes que circulam nos resistores de 5 !$ Ω !$ e 20 !$ Ω !$ são, respectivamente:
Provas
O circuito a seguir possui um resistor variável (potenciômetro).

Assinale a alternativa que indica o valor de R suficiente para que !$ i_1=\large{V_1 \over 5} !$.
Provas
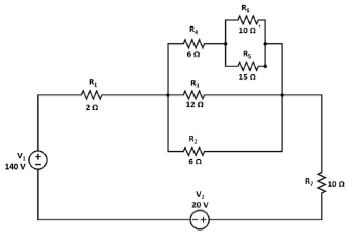
O circuito representado na figura a seguir é composto por duas fontes de tensão e sete resistores.

Assinale a alternativa que apresenta corretamente o módulo da potência P no resistor R2 em watts e da tensão V no resistor R5 em volts.
Provas
Caderno Container