Foram encontradas 435 questões.
Um microcontrolador da família 8051 possui um programa em que é realizada a soma dos dados #87H e #19H, sendo o resultado dessa operação enviado para o port P2. Nesse caso, os níveis lógicos dos pinos do port P2 resultam em:

Provas
Questão presente nas seguintes provas
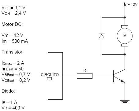
Uma saída TTL deve acionar um motor DC em nível alto por meio do circuito abaixo:
O valor comercial do resistor R que melhor satisfaz as condições do circuito é de
O valor comercial do resistor R que melhor satisfaz as condições do circuito é de
Provas
Questão presente nas seguintes provas
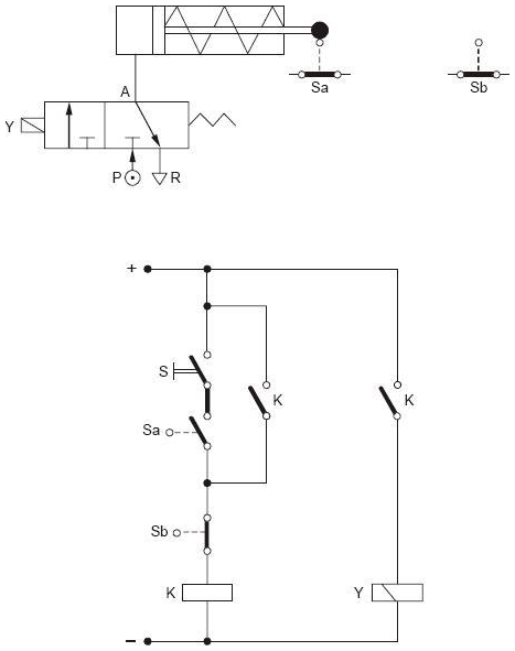
"O esquema apresenta o sistema de comando de uma
válvula eletropneumática unidirecional que alimenta um cilindro
de simples ação com retorno por mola interna e dois sensores
de fim de curso: Sa e Sb."

Sobre a operação do sistema, é correto afirmar que oválvula eletropneumática unidirecional que alimenta um cilindro
de simples ação com retorno por mola interna e dois sensores
de fim de curso: Sa e Sb."

Provas
Questão presente nas seguintes provas
Analise o circuito lógico dado abaixo:


Provas
Questão presente nas seguintes provas
A expressão S da tabela-verdade encontra-se simplificada corretamente em:


Provas
Questão presente nas seguintes provas
Considere o trecho seguinte referente a um programa de um microcontrolador da família 8051:

A execução desse trecho do programa deixa o endereço 25H da memória RAM com

A execução desse trecho do programa deixa o endereço 25H da memória RAM com
Provas
Questão presente nas seguintes provas
Das sete camadas do modelo de arquitetura OSI (Open System Interconection) usado em redes de comunicação de dados, há uma que é responsável pela decodificação dos dados transferidos para formatos que possam ser interpretados e manipulados pelos usuários. Trata-se da camada de
Provas
Questão presente nas seguintes provas
Deseja-se instalar um motor em um ambiente sujeito a jatos de água de todas as direções. Nesse caso, o motor mais adequado deve ter grau de proteção
Provas
Questão presente nas seguintes provas
Considere as colunas abaixo.

A correta relação de parâmetros do transformador com o teste a ser feito para a sua obtenção é:

A correta relação de parâmetros do transformador com o teste a ser feito para a sua obtenção é:
Provas
Questão presente nas seguintes provas
Um motor trifásico de 12 terminais pode ser ligado nos quatro modos dados abaixo.

Caracteriza coerentemente cada modo de ligação em relação à tensão de linha de alimentação do motor:


Caracteriza coerentemente cada modo de ligação em relação à tensão de linha de alimentação do motor:

Provas
Questão presente nas seguintes provas
Cadernos
Caderno Container