Foram encontradas 120 questões.

Tendo como referência o texto acima, julgue os itens a seguir no que se refere a câmeras de vídeo.
Apesar da sua versatilidade, o programa Adobe on Location não permite gravar vídeos ao vivo, direto da câmera para o disco rígido do computador.
Provas

Tendo como referência o texto acima, julgue os itens a seguir no que se refere a câmeras de vídeo.
O uso do recurso ganho de vídeo (gain-up – electronic gain) permite tornar mais claras as cenas pouco iluminadas, entretanto, a imagem do vídeo ficará com aspecto granulado, ou seja, com menor nitidez.
Provas

Tendo como referência o texto acima, julgue os itens a seguir no que se refere a câmeras de vídeo.
A maioria das câmeras de vídeo vem adaptada com microfones unidirecionais.
Provas

Tendo como referência o texto acima, julgue os itens a seguir no que se refere a câmeras de vídeo.
Em alguns equipamentos, a cabeça de uma câmera de estúdio é formada por lentes, dispositivo de captação de imagem e visor.
Provas

Tendo como referência o texto acima, julgue os itens a seguir no que se refere a câmeras de vídeo.
Para formar uma imagem de boa qualidade, o sensor de uma câmera depende, além de outros fatores, do ajuste da íris ou diafragma, que controla a quantidade de luz que irá entrar na câmera.
Provas

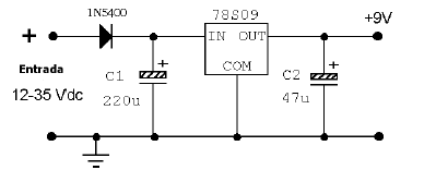
Considerando a figura acima, que ilustra o circuito de uma fonte de alimentação de 9 V e 2 A, julgue os itens subsecutivos.
Provas

Considerando a figura acima, que ilustra o circuito de uma fonte de alimentação de 9 V e 2 A, julgue os itens subsecutivos.
Os resistores são componentes eletrônicos fundamentais em uma fonte de alimentação (que converte corrente alternada em contínua) por terem a propriedade de conduzir corrente elétrica em um só sentido.
Provas

Considerando a figura acima, que ilustra o circuito de uma fonte de alimentação de 9 V e 2 A, julgue os itens subsecutivos.
Na figura apresentada, o diodo identificado por 1N5400 tem a função de deixar passar corrente elétrica em um único sentido.
Provas

A figura acima ilustra um circuito formado por uma lâmpada de resistência igual a 2
uma bateria de força eletromotriz 30 V e uma tomada liga-desliga. A partir dessas informações, julgue os itens a seguir.
A resistência elétrica da lâmpada dissipa calor por efeito Joule.
Provas

A figura acima ilustra um circuito formado por uma lâmpada de resistência igual a 2
uma bateria de força eletromotriz 30 V e uma tomada liga-desliga. A partir dessas informações, julgue os itens a seguir.
A queima de uma lâmpada incandescente especificada para funcionar em rede de 110 V ligada em 220 V deve-se, geralmente, ao consumo de potência maior que a que essa lâmpada é capaz de dissipar.
Provas
Caderno Container