Foram encontradas 120 questões.

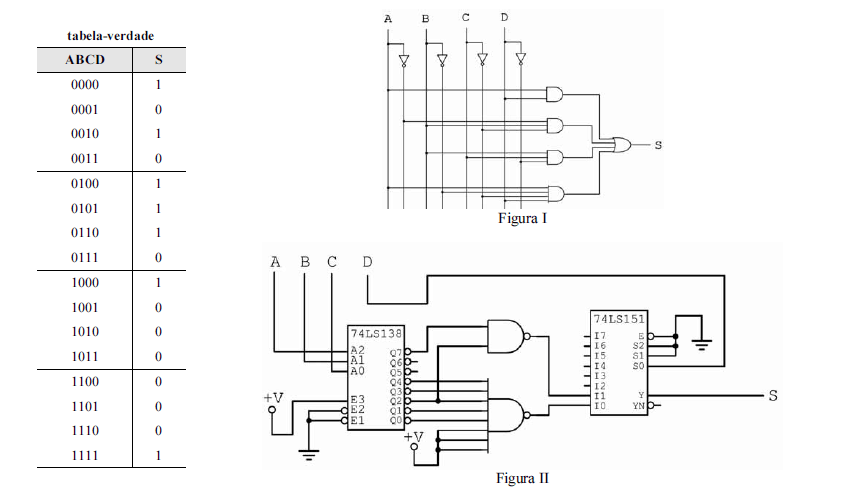
O circuito da figura II acima tem as características a seguir.
< O circuito integrado 74LS138 é um decodificador: A2, A1 e A0 são entradas e Q7, Q6, Q5, Q4, Q3, Q2, Q1 e Q0 são saídas, listadas aqui em ordem de significância, do mais significativo para o menos significativo — essas saídas são ativas em nível baixo, conforme indicado no diagrama.
< O circuito integrado 74LS151 é um multiplexador: S2, S1 e S0 são as entradas de seleção e I7, I6, I5, I4, I3, I2, I1 e I0 são as entradas de dados, listadas aqui em ordem de significância, do mais significativo para o menos significativo; Y é a saída do multiplexador — YN é a saída invertida.
< As entradas E3, E2 e E1 do decodificador e a entrada E do multiplexador são terminais de habilitação; E3 é ativa em nível alto (+V), enquanto E2, E1 e E são ativas em nível baixo (terra), conforme indicado no diagrama.
A partir dessas informações e considerando a tabela-verdade e os circuitos mostrados nas figuras I e II, julgue os itens que se seguem.
Provas
Considere que as retas r e s sejam paralelas e que a distância entre elas é de 2 cm; que, na reta r, sejam marcados 4 pontos, de forma que a distância de qualquer um deles ao mais próximo seja de 5 cm; que, na reta s, sejam marcados 5 pontos, de forma que a distância de qualquer um deles ao mais próximo seja de 3 cm. Com base nessas informações e considerando, ainda, as áreas dos triângulos de vértices nos pontos marcados nas retas r e s, é correto afirmar que
a maior área é igual a 15 cm2.
Provas
Entre os 6 analistas de uma empresa, 3 serão escolhidos para formar uma equipe que elaborará um projeto de melhoria da qualidade de vida para os empregados da empresa. Desses 6 analistas, 2 desenvolvem atividades na área de ciências sociais e os demais, na área de assistência social.
Julgue os itens que se seguem, relativos à composição da equipe acima mencionada.
Se os 2 analistas que desenvolvem atividades na área de ciências sociais fizerem parte da equipe, então a quantidade de maneiras distintas de se compor essa equipe será superior a 6.
Provas

Nessa situação hipotética, a probabilidade de
os dois candidatos serem contratados é igual a ![]()
Provas

Sabendo que, em cada um desses 4 dias, dos presentes, 1 era analista de contabilidade e 3, de arquivologia; que cada um dos analistas de contabilidade esteve presente em apenas 2 dias; e que Fernando é analista de arquivologia, julgue os itens seguintes.
Hélio é analista de contabilidade.
Provas

Sabendo que, em cada um desses 4 dias, dos presentes, 1 era analista de contabilidade e 3, de arquivologia; que cada um dos analistas de contabilidade esteve presente em apenas 2 dias; e que Fernando é analista de arquivologia, julgue os itens seguintes.
Todas as mulheres são analistas de arquivologia.
Provas

Em relação às ideias e estruturas linguísticas do texto acima, julgue os itens que se seguem.
Prejudicam-se a correção gramatical e o sentido original do período ao se substituir o pronome “aquela” (l.7) por a.
Provas

Considerando que, nos circuitos das figuras de I a VI acima, os amplificadores operacionais sejam ideais e que todos os resistores tenham resistência igual a 1
, é correto afirmar que, no circuito da figura
II, Vo = –V1.
Provas

A partir dessas informações e considerando a tabela-verdade e os circuitos mostrados nas figuras I, II e III acima, julgue os itens que se seguem.
O circuito da figura III implementa corretamente a função lógica representada pela tabela-verdade.
Provas
Consoante o que estabelece a Lei n.o 11.652/2008, que autorizou a constituição da Empresa Brasil de Comunicação (EBC), julgue os itens seguintes.
Compete à EBC estabelecer cooperação e colaboração com entidades públicas ou privadas que explorem serviços de comunicação ou radiodifusão pública, mediante convênios ou outros ajustes, com vistas à formação da Rede Nacional de Comunicação Pública.
Provas
Caderno Container