Foram encontradas 50 questões.
A corrente de projeto de um circuito trifásico desbalanceado, cuja potência nominal é de 2,4 kW, tensão = 127 V, FP = 0,7, !$ η !$ = 0,9, é aproximadamente igual a
Provas
Questão presente nas seguintes provas
A velocidade de uma máquina de indução trifásica de 6 polos, 60 Hz, 380 V, que entrega potência nominal de saída em um escorregamento de 0,01, é igual a
Provas
Questão presente nas seguintes provas
A perda no cobre de um rotor de um motor de indução trifásico de 4 polos, 60 Hz, 380 V, 15 hp, 1728 rpm, que entrega potência de saída plena a uma carga conectada a seu eixo, sabendo-se que as perdas de atrito do motor é 750 W, é aproximadamente igual a
Provas
Questão presente nas seguintes provas
A corrente de curto-circuito trifásico simétrico (eficaz) de um transformador de 381 kVA, tensão secundária: 220/127 V, conexão !$ \Delta/Y !$ e impedância percentual de 10%, será, aproximadamente, igual a
Provas
Questão presente nas seguintes provas
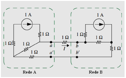
O valor da corrente no ramo ab, do circuito da figura a seguir, é igual a

Provas
Questão presente nas seguintes provas
Assinale a alternativa correta.
Provas
Questão presente nas seguintes provas
Assinale a alternativa correta.
Provas
Questão presente nas seguintes provas
Assinale a alternativa correta.
Provas
Questão presente nas seguintes provas
Assinale a alternativa correta.
Provas
Questão presente nas seguintes provas
Assinale a alternativa correta.
Provas
Questão presente nas seguintes provas
Cadernos
Caderno Container