Foram encontradas 50 questões.
Avalie a montagem a seguir, com as quatro lâmpadas idênticas (incandescentes) e com especificação 110 V – 100 W para responder a questão.

Se trocarmos as lâmpadas para uma de especificação 220 V – 100 W, responda quais das afirmações apresentadas seriam verdadeiras:
I. As lâmpadas não ascenderiam.
II. A corrente que passaria por cada lâmpada seria maior.
III. A potência liberada em cada lâmpada seria menor.
Das afirmações apresentadas.
Provas
Questão presente nas seguintes provas
Considere a expressão a seguir e escolha a alternativa que represente a quantidade de portas lógicas discretas necessárias à sua implementação.
Observação: Portas Lógicas Discretas: AND (2 inputs), OR (2 inputs) e NOT.
!$ Y = A. \bar {B} + \bar {A} . B + A.B !$
Provas
Questão presente nas seguintes provas
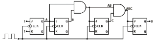
Avalie a montagem a seguir e atribua respectivamente V (verdadeiro) ou F (falso) às afirmações que seguem.

( ) Esta montagem trata de um contador assíncrono.
( ) Para transformarmos a montagem em um contador decrescente basta utilizarmos a saída Q barrada.
( ) Neste tipo de contador o atraso não depende do número de bits, mas apenas da tecnologia utilizada. Por outro lado, como o atraso de propagação é menor, o contador síncrono pode trabalhar com frequências maiores que o contador assíncrono.
Provas
Questão presente nas seguintes provas
Considere o circuito digital a seguir para responder a esta questão. Sabe-se que as entradas A, B, C, D e E foram colocadas respectivamente em níveis lógicos 0, 1, 0, 1, 0.

Com base nessa informação o valor em decimal apresentado nas três saídas vale o descrito na alternativa:
Provas
Questão presente nas seguintes provas
Considerando a mesma expressão da questão anterior, podemos representá-la de outra forma mais simples, considerando as portas lógicas básicas.
Provas
Questão presente nas seguintes provas
A soma dos números a seguir descritos, resulta no valor apresentado na alternativa:
(123)4 + (756)8 + (222)10 + (A1)16
Provas
Questão presente nas seguintes provas
Considere o tema que trata de Circuitos Integrados para responder esta questão. Assinale na ordem que são apresentadas as afirmações com V (verdadeiro) ou F (falso).
( ) São famílias de CIs (Circuitos Integrados) bipolares: RTL, DTL e TTL.
( ) São famílias de CIs (Circuitos Integrados) MOS (Metaloxide semiconductor): CMOS, LMOS e XMOS).
( ) CIs (Circuitos Integrados) Lógica Transistor-Transistor de baixa potência consomem cerca de 100 mW apenas.
Provas
Questão presente nas seguintes provas
O circuito a seguir é a base para esta questão. Desconsidere o erro de saída provocado pela polaridade e os desvios da entrada. A partir dessa informação aponte respectivamente nas alternativas que seguem o ganho de tensão em anel fechado e a largura de banda.

Provas
Questão presente nas seguintes provas
Um gerador de base de tempo (onda quadrada) projetado para uma frequência de 250 MHz, possui um período no valor expresso na alternativa:
Provas
Questão presente nas seguintes provas
Sobre TC (Transformadores de Corrente), é verdade o que se afirma no(s) item(ns):
I. Transformadores de corrente (TCs) são equipamentos usados na medição de sistemas elétricos.
II. Existem vários tipos de (TCs), os do tipo Núcleo Ferro Doce, Núcleo Ferro Branco e Núcleo Ferro Cinza.
III. Transformadores de corrente (TCs) são equipamentos usados na proteção de sistemas elétricos.
Provas
Questão presente nas seguintes provas
Cadernos
Caderno Container