Foram encontradas 60 questões.
- SUSLei 8.080/1990: Lei Orgânica da SaúdeSistema Único de SaúdePrincípios, Objetivos, Diretrizes e Atribuições.Arts. 5º e 6º: Objetivos e Atribuições
Em relação à saúde do trabalhador, é atribuição do SUS
Provas
Questão presente nas seguintes provas
Considere o circuito a seguir:

É correto afirmar que o sinal Vo em relação ao sinal Vi apresenta
Provas
Questão presente nas seguintes provas
Considere o circuito de filtro ativo a seguir:

É correto afirmar que esse filtro se comportará como
Provas
Questão presente nas seguintes provas
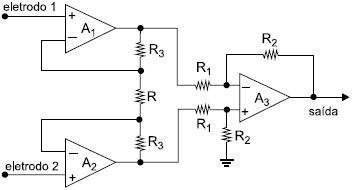
O circuito a seguir é conhecido como amplificador de instrumentação. Suponha que: R = 10 kΩ, R1 = 120 kΩ, R2 = 240 kΩ e R3 = 3 kΩ.

Se fosse aplicada uma diferença de potencial entre os eletrodos 1 e 2, qual seria o ganho da amplificação na saída?
Provas
Questão presente nas seguintes provas
Um resistor apresenta o seguinte código de cores com 4 faixas: vermelho, violeta, marrom e dourado. Os valores que se espera obter caso se utilize um multímetro para medir a resistência desse resistor são de
Provas
Questão presente nas seguintes provas
A eficácia da higienização de mãos depende da duração e da técnica empregada. Assinale a alternativa que apresenta a técnica em que não se devem secar as mãos com toalhas, estéreis ou não.
Provas
Questão presente nas seguintes provas
As radiações ionizantes são aquelas que extraem elétron da matéria ao incidirem sobre esta produzindo íons. As radiações ionizantes podem levar a efeitos hereditários ou somáticos.
Assinale a alternativa que apresenta um exemplo de procedimento que utiliza radiação ionizante.
Provas
Questão presente nas seguintes provas
Dispositivos de infusão são utilizados em pacientes hospitalizados em ambulatórios, centros cirúrgicos, entre outros locais. O sistema de infusão com controle de fluxo manual é o sistema de infusão mais simples utilizado. Uma das suas limitações é
Provas
Questão presente nas seguintes provas
A eletroforese é uma técnica utilizada para
Provas
Questão presente nas seguintes provas
A norma NBR IEC 60601 classifica as partes aplicadas com relação ao grau de proteção contra choque elétrico em Tipo CF, Tipo BF e Tipo B. Aplicações cardíacas diretas são apropriadas para qual(is) tipo(s) de partes aplicadas?
Provas
Questão presente nas seguintes provas
Cadernos
Caderno Container