Foram encontradas 100 questões.
Dentre os diversos tipos de memória ROM, qual delas pode ser apagada eletricamente?
Provas
Questão presente nas seguintes provas
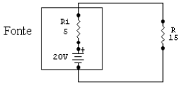
Calcule, no circuito abaixo, o valor da perda de potência existente na transferência da tensão da fonte para um resistor de carga de 15!$ \Omega !$ e assinale a alternativa correta.
Considere os valores dos resistores em !$ \Omega !$.

Provas
Questão presente nas seguintes provas
Coloque (R) regular e (I) irregular nos parênteses abaixo, de acordo com a classificação do verbo destacado. A seguir, assinale a alternativa com a seqüência correta.
( ) Diga-me uma coisa, mas fale a verdade, não quero disfarce.
( ) Sempre folheio um livro, uma revista, antes de levá-los para casa.
( ) Se ele trouxesse os relatórios, nós pensaríamos no projeto.
( ) A saudade é como Sol no Inverno: ilumina sem aquecer.
Provas
Questão presente nas seguintes provas
1993793
Ano: 2009
Disciplina: Engenharia de Telecomunicações
Banca: DIRENS Aeronáutica
Orgão: EEAr
Disciplina: Engenharia de Telecomunicações
Banca: DIRENS Aeronáutica
Orgão: EEAr
Provas:
Os principais parâmetros que determinam as características de transmissão da luz através da fibra óptica são
Provas
Questão presente nas seguintes provas
Qual a freqüência, em Hertz, da forma de onda apresentada na figura abaixo?

Provas
Questão presente nas seguintes provas
Assinale a alternativa que apresenta somente discurso direto.
Provas
Questão presente nas seguintes provas
Conversores do tipo rampa digital, aproximações sucessivas, flash e modulação sigma/delta fazem conversão de
Provas
Questão presente nas seguintes provas
Determine o ganho de tensão do amplificador operacional da figura abaixo.

Provas
Questão presente nas seguintes provas
Para o MUX abaixo, qual será o valor na saída Y, quando as variáveis de seleção forem S0=1, S1=1 e S2=1?
Obs.: Considere a entrada I7 como a mais significativa e a entrada I0 como a menos significativa.

Provas
Questão presente nas seguintes provas
Aplicando-se um potencial externo “V”, através da junção P-N, em que o terminal positivo é conectado ao material tipo “N” e o terminal negativo é ligado ao material tipo “P”, o que ocorrerá?
Provas
Questão presente nas seguintes provas
Cadernos
Caderno Container