Foram encontradas 100 questões.
Em qual das alternativas a palavra destacada está com a ortografia correta?
Provas
Questão presente nas seguintes provas
Em qual das alternativas a regência do verbo pagar não obedece à Norma Culta?
Provas
Questão presente nas seguintes provas
Um circuito possui potência aparente igual a 10 kVA e fator de potência 0,4 indutivo. Determine a nova potência reativa desse circuito quando seu fator de potência é corrigido para 0,8 indutivo. Considere que foi inserida, apenas, potência reativa capacitiva ao circuito para correção do fator de potência.
Marque a alternativa correta.
Provas
Questão presente nas seguintes provas
Coloque (V) verdadeiro ou (F) falso para as afirmações abaixo, sobre geradores de corrente contínua. Em seguida, assinale a alternativa com a correta.
( ) O enrolamento de campo é responsável por produzir o campo magnético e sua corrente pode ser fornecida pela armadura do gerador.
( ) O comutador é a parte que converte a corrente alternada, proveniente da armadura, em corrente contínua que é transmitida à carga externa através de escovas.
( ) A armadura é localizada no rotor e gira por ação de uma força mecânica externa à máquina.
( ) Quando o enrolamento de campo é alimentado por uma fonte de alimentação de corrente contínua separada, a máquina é denominada gerador em derivação.
Provas
Questão presente nas seguintes provas
Marque (V) para verdadeiro e (F) para falso. A seguir, assinale a alternativa com a sequência correta.
( ) Para a maioria dos capacitores, a rigidez dielétrica define a tensão máxima de trabalho.
( ) A capacitância é inversamente proporcional à permissividade do dielétrico do capacitor.
( ) No período transitório capacitivo, a tensão através do capacitor permanece constante.
Provas
Questão presente nas seguintes provas
A respeito das capacitâncias parasitas em um projeto, assinale a alternativa correta.
Provas
Questão presente nas seguintes provas
Considerando que o circuito em corrente contínua abaixo está em condições de estado estacionário e que seus componentes são ideais, calcule o valor da corrente total It. Em seguida, marque a alternativa correta.

Provas
Questão presente nas seguintes provas
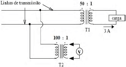
Sabendo-se que a leitura do voltímetro do esquema abaixo indica uma tensão de 100 volts, calcule a potência consumida pela carga. Considere o fator de potência da carga unitário.

Provas
Questão presente nas seguintes provas
Complete a oração abaixo, acrescendo ao sujeito predicado nominal, expresso em uma das alternativas.
As palavras ...
Provas
Questão presente nas seguintes provas
Assinale a alternativa em que a próclise não é obrigatória conforme estabelece a gramática.
Provas
Questão presente nas seguintes provas
Cadernos
Caderno Container