Foram encontradas 100 questões.
Assinale a alternativa que preenche corretamente o texto abaixo.
O sistema consiste em variar a do pulso da portadora, proporcionalmente ao sinal modulante, mantendo-se constantes a e o intervalo de tempo a que os pulsos se repetem.
Provas
Questão presente nas seguintes provas
Com base nos medidores, marque (V) para verdadeiro ou (F) para falso e, em seguida, assinale a alternativa com a sequência correta.
( ) Os ohmímetros são utilizados para medir reatância ou impedância CA de um componente ou de um circuito.
( ) O alicate amperímetro é um instrumento capaz de medir corrente alternada na faixa de ampéres sem necessidade de interferir nas conexões do circuito.
( ) O valor médio (nível CC) de qualquer forma de onda não pode ser medido usando um osciloscópio.
Provas
Questão presente nas seguintes provas
2507357
Ano: 2015
Disciplina: Engenharia de Telecomunicações
Banca: DIRENS Aeronáutica
Orgão: EEAr
Disciplina: Engenharia de Telecomunicações
Banca: DIRENS Aeronáutica
Orgão: EEAr
Provas:
Que tipo de modulação representa o espectro de amplitudes da figura abaixo?
Dados: !$ \mathsf{wi=2\pi(~10^6-10^3),~ws=2\pi(~10^6+10^3)} !$.

Provas
Questão presente nas seguintes provas
Com base nas características básicas das antenas, relacione a coluna da esquerda com a da direita e, em seguida, assinale a alternativa com a sequência correta.
| (1) Eficiência | ( ) Frequências nas quais a antena pode operar satisfatoriamente, sem alterar suas características. |
| (2) Diretividade |
( ) Relação entre o campo irradiado pela antena em uma direção e o campo que seria irradiado por
uma antena isotrópica.
|
| (3) Largura de Feixe | ( ) Relação entre a potência realmente irradiada por uma antena e a potência recebida. |
| (4) Largura de Faixa | ( ) Ângulo formado pelos dois pontos onde o campo máximo cai de – 3dB do seu valor. |
Provas
Questão presente nas seguintes provas
Indique a alternativa em que o termo em destaque não corresponde com a função sintática indicada nos parênteses.
Provas
Questão presente nas seguintes provas
Calcule o valor de X em: X = 13916 + 12116 + 2316
Provas
Questão presente nas seguintes provas
Leia:
1. “Parece que já nascem sabendo.”
2. “No nosso tempo de criança é que era bom.”
3. “Shakespeare dizia que o homem é feito da mesma matéria de seus sonhos.”
4. “Quantas vezes deixamos de receber bênçãos que nos são dadas.”
5. “Penso que o que estamos procurando é uma experiência de estar vivos.”
Contêm orações subordinadas substantivas as frases
Provas
Questão presente nas seguintes provas
Assinale a alternativa em que a sequência de conjunções coordenativas preenche, correta e respectivamente, os espaços do texto abaixo.
Na época de minha infância, quase não havia brinquedos eletrônicos, os computadores eram raros. O poder aquisitivo de nossos pais era pequeno, brincávamos na rua com as outras crianças. Muitas vezes, inventávamos brincadeiras conseguíamos nos divertir apenas com uma bola improvisada, feita com uma meia velha. Financeiramente, a vida era mais difícil, éramos mais felizes e mais livres.
Provas
Questão presente nas seguintes provas
2507103
Ano: 2015
Disciplina: Engenharia de Telecomunicações
Banca: DIRENS Aeronáutica
Orgão: EEAr
Disciplina: Engenharia de Telecomunicações
Banca: DIRENS Aeronáutica
Orgão: EEAr
Provas:
Considerando que a Modulação em Amplitude é subdividida em categorias, relacione a coluna da esquerda com a coluna da direita e, em seguida, assinale a alternativa com a sequência correta.
| (1) AM-DSB | ( ) Modulação em Amplitude com Banda Lateral Simples. |
| (2) AM-SSB | ( ) Modulação em Amplitude com Banda Lateral Dupla e Portadora Suprimida. |
| (3) AM-DSB/SC | ( ) Modulação em Amplitude com Banda Lateral Dupla. |
Provas
Questão presente nas seguintes provas
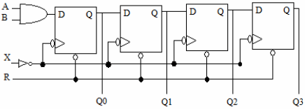
O circuito abaixo é acionado por borda, e a entrada R, quando acionada, proporciona imediatamente o RESET de todos os Flip Flops.

Marque (V) para verdadeiro ou (F) para falso e, assinale a alternativa com a sequência correta.
( ) Esse é um circuito de entrada serial e saída paralela.
( ) As saídas são atualizadas a cada borda de descida de X.
( ) Quando R=1, todas as saídas apresentam nível lógico zero.
Provas
Questão presente nas seguintes provas
Cadernos
Caderno Container