Foram encontradas 100 questões.
Assinale a alternativa que contém, entre os termos da frase, o total de três adjuntos adverbiais.
Provas
Questão presente nas seguintes provas
Em qual das alternativas a palavra destacada está com a ortografia correta?
Provas
Questão presente nas seguintes provas
Em qual das alternativas a regência do verbo pagar não obedece à Norma Culta?
Provas
Questão presente nas seguintes provas
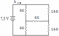
Calcule a resistência equivalente do circuito, bem como o valor da corrente It e assinale a alternativa correta.

Provas
Questão presente nas seguintes provas
Assinale a alternativa que identifica o circuito abaixo.

Provas
Questão presente nas seguintes provas
2505569
Ano: 2015
Disciplina: Engenharia de Telecomunicações
Banca: DIRENS Aeronáutica
Orgão: EEAr
Disciplina: Engenharia de Telecomunicações
Banca: DIRENS Aeronáutica
Orgão: EEAr
Provas:
Analise as afirmações e, em seguida, assinale a alternativa correta.
I. A fibra óptica multímodo de índice degrau, por possuir vários modos, consegue cobrir grandes distâncias com velocidade de transmissão extremamente alta.
II. A fibra óptica monomodo possui a desvantagem de alcançar baixas velocidades de transmissão devido seu único modo.
III. Em linhas de transmissão em fio aberto e cabo paralelo, a onda eletromagnética se propaga no espaço entre os dois fios condutores.
Está (ao) correta (s).
Provas
Questão presente nas seguintes provas
2505558
Ano: 2015
Disciplina: Engenharia de Telecomunicações
Banca: DIRENS Aeronáutica
Orgão: EEAr
Disciplina: Engenharia de Telecomunicações
Banca: DIRENS Aeronáutica
Orgão: EEAr
Provas:
Sabendo-se que a máxima frequência do sinal modulante de uma transmissão FM é de 15 kHz e que o desvio de frequência máximo para a radiodifusão comercial de FM é de 75 kHz, calcule a largura de faixa ocupada pelo sinal FM e, em seguida, assinale a alternativa correta.
Provas
Questão presente nas seguintes provas
Para um determinado circuito, sabe-se que F1 = 2 MHz e F2 = 200 kHz. O cálculo da relação !$ \mathsf{\dfrac{F1}{F2}} !$ informa que
Provas
Questão presente nas seguintes provas
Complete a oração abaixo, acrescendo ao sujeito predicado nominal, expresso em uma das alternativas.
As palavras ...
Provas
Questão presente nas seguintes provas
Assinale a alternativa em que a próclise não é obrigatória conforme estabelece a gramática.
Provas
Questão presente nas seguintes provas
Cadernos
Caderno Container