Foram encontradas 100 questões.
Assinale a alternativa em que a expressão grifada está incorreta no que diz respeito ao uso ou não da crase.
Provas
Questão presente nas seguintes provas
Leia:
Quando nos comunicamos, selecionamos e combinamos as palavras para que os enunciados sejam formados. À medida que as frases são criadas, vamos incorporando a elas recursos próprios da língua oral, como pausas, altura da voz, entonação, interrupções bruscas.
No texto acima não há oração subordinada adverbial
Provas
Questão presente nas seguintes provas
1401593
Ano: 2016
Disciplina: Engenharia de Telecomunicações
Banca: DIRENS Aeronáutica
Orgão: EEAr
Disciplina: Engenharia de Telecomunicações
Banca: DIRENS Aeronáutica
Orgão: EEAr
Provas:
Assinale a alternativa que completa, correta e respectivamente, as lacunas das sentenças abaixo
I. Nas fibras ópticas de índice degrau, o índice de refração do núcleo é ___________ que o da casca.
II. Ângulo crítico de incidência é o menor ângulo a partir da normal, para o qual ocorre ____________ total da luz no interior de uma fibra óptica.
Provas
Questão presente nas seguintes provas
A porta lógica abaixo apresenta uma falha interna.
Considerando essa afirmação, pode-se dizer que_______.

Provas
Questão presente nas seguintes provas
No processo de retificação de um sinal senoidal utilizando diodo, para se obter a tensão cc similar à tensão produzida por uma bateria, é necessário a utilização de um
Provas
Questão presente nas seguintes provas
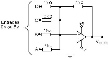
Observe:

A figura acima mostra um ______.
Provas
Questão presente nas seguintes provas
Em relação às características do JFET, a IDSS é obtida quando a VGS é _________ e o valor de VDS atinge valor _________ que /Vp/.
Provas
Questão presente nas seguintes provas
Assinale a alternativa que não contém oração subordinada adjetiva.
Provas
Questão presente nas seguintes provas
Qual é o tipo de pilha em que o eletrólito é o Hidróxido de Potássio, e o eletrodo positivo é o Óxido de Cádmio?
Provas
Questão presente nas seguintes provas
Qual circuito lógico representa a tabela-verdade abaixo?
Considere “A” e “B” as entradas e “Y” a saída do circuito.
| A | B | Y |
| 0 | 0 | 1 |
| 0 | 1 | 1 |
| 1 | 0 | 1 |
| 1 | 1 | 0 |
Provas
Questão presente nas seguintes provas
Cadernos
Caderno Container