Foram encontradas 100 questões.
Leia o poema abaixo, do poeta Mário Quintana.
Inscrição para um portão de cemitério
Na mesma pedra se encontram,
Conforme o povo traduz,
Quando se nasce - uma estrela,
Quando se morre - uma cruz.
Mas quantos que aqui repousam
Hão de emendar-nos assim:
“Ponha-me a cruz no princípio...
E a luz da estrela no fim.”
Analisando as figuras de linguagem presentes nesses versos, é incorreto afirmar que
Provas
Questão presente nas seguintes provas
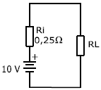
No circuito abaixo, qual é o valor da resistência RL que produzirá uma transferência máxima de potência?

Provas
Questão presente nas seguintes provas
Leia:
“Durante a risada, ocorre a liberação da serotonina, um dos neurotransmissores responsáveis pela sensação de bem-estar.”
Em qual alternativa o termo destacado exerce a mesma função sintática de pela sensação de bem-estar?
Provas
Questão presente nas seguintes provas
Em um determinado amplificador a corrente na carga varia durante os 360º do ciclo de entrada. Isso significa que esse amplificador opera na seguinte classe:
Provas
Questão presente nas seguintes provas
Como se classificam os pronomes destacados nos versos abaixo, na ordem em que aparecem?
“Liberdade - essa palavra
que o sonho humano alimenta:
que não há ninguém que explique,
e ninguém que não entenda.”
(Cecília Meireles)
Provas
Questão presente nas seguintes provas
O circuito abaixo é denominado como

Provas
Questão presente nas seguintes provas
Marque Verdadeiro (V) ou Falso (F) para as afirmações abaixo e assinale a alternativa correta.
( ) Os núcleos dos transformadores usados em alta freqüência são feitos de ferro em pó e cerâmica ou de materiais não magnéticos.
( ) As correntes que passam pelas bobinas de um transformador é diretamente proporcional às tensões de um mesmo enrolamento.
Provas
Questão presente nas seguintes provas
No circuito abaixo, calcule o valor de R1. Dado: I= 2mA.

Provas
Questão presente nas seguintes provas
O símbolo elétrico abaixo pertence a qual componente eletrônico?

Provas
Questão presente nas seguintes provas
Assinale V para verdadeiro e F para falso nas afirmações abaixo, relativas ao uso de cristal em circuitos osciladores, e responda a alternativa correta.
( ) Possuem alto fator de qualidade, na ordem de 106.
( ) Tem como desvantagem maior variação em frequência comparado a um circuito tanque.
( ) A frequência de oscilação nos circuitos depende do modo como o cristal foi cortado.
Provas
Questão presente nas seguintes provas
Cadernos
Caderno Container