Foram encontradas 96 questões.
Para a correção dos diferentes tipos de defeitos de visão, faz-se necessário o emprego de diferentes tipos de lentes externas, ou seja, o uso de óculos. Após consultar um médico oftalmologista, dois pacientes foram diagnosticados, sendo que o primeiro apresentou hipermetropia e no segundo foi constatada miopia. Deste modo, o médico determinou para cada situação a confecção de lentes:
1 – divergente para o primeiro paciente, pois a hipermetropia se deve ao alongamento do globo ocular;
2 – convergente para o segundo paciente, pois a miopia se deve ao alongamento do globo ocular;
3 – convergente para o primeiro paciente, pois a hipermetropia se deve ao encurtamento do globo ocular;
4 – divergente para o segundo paciente, pois a miopia se deve ao encurtamento do globo ocular.
A(s) afirmativa(s) correta(s) é(são):
Provas
Questão presente nas seguintes provas
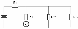
No circuito da figura abaixo, deseja-se medir a tensão sobre o resistor !$ R_1 !$.

Assinale a alternativa que representa a maneira correta de se utilizar o voltímetro V para efetuar tal medida.
Provas
Questão presente nas seguintes provas
Direitos Humanos e Literatura
Antonio Cândido
Chamarei de literatura, da maneira mais ampla possível, todas as criações de toque poético, ficcional ou dramático em todos os níveis de uma sociedade, em todos os tipos de cultura, desde o que chamamos folclore, lenda, chiste, até as formas mais complexas e difíceis da produção escrita das grandes civilizações.
Vista desse modo, a literatura aparece claramente como manifestação universal de todos os homens em todos os tempos. Não há povo e não há homem que possam viver sem ela, isto é, sem a possibilidade de entrar em contato com alguma espécie de fabulação. Assim como todos sonham todas as noites, ninguém é capaz de passar as vinte e quatro horas do dia sem alguns momentos de entrega ao universo fabuloso. O sonho assegura, durante o sono, a presença indispensável desse universo, independentemente da nossa vontade. E, durante a vigília, a criação ficcional ou poética, que é a mola da literatura em todos os seus níveis e modalidades, está presente em cada um de nós, analfabeto ou erudito – como anedota, causo, história em quadrinho, noticiário policial, canção popular, moda de viola, samba carnavalesco. Ela se manifesta desde o devaneio amoroso ou econômico no ônibus até a atenção fixada na novela de televisão ou na leitura corrida de um romance.
Ora, se ninguém pode passar vinte e quatro horas sem mergulhar no universo da ficção e da poesia, a literatura concebida no sentido amplo a que me referi parece corresponder a uma necessidade universal, que precisa ser satisfeita e cuja satisfação constitui um direito. [...]
Portanto, assim como não é possível haver equilíbrio psíquico sem o sonho durante o sono, talvez não haja equilíbrio social sem a literatura. Desse modo, ela é fator indispensável de humanização e, sendo assim, confirma o homem na sua humanidade, inclusive porque atua em grande parte no subconsciente e no inconsciente.
http://www.dhnet.org.br/direitos/textos/textos_dh/literatura.html
“...ninguém é capaz de passar as vinte e quatro horas do dia sem alguns momentos de entrega ao universo fabuloso.”
Segundo essa afirmação, a literatura é uma
Provas
Questão presente nas seguintes provas
Ao caminhar por uma calçada, um pedestre ouve o som da buzina de um ônibus, que passa na via ao lado e se afasta rapidamente. O pedestre observou nitidamente que quando o ônibus se afastou houve uma brusca variação na altura do som. Este efeito está relacionado ao fato de que houve variação:
Provas
Questão presente nas seguintes provas
Read the text and answer question.
Can you be too old to donate blood?
In general, you can never be too old to donate blood. Though you can be too young or too thin.
The American Association of Blood Banks used to bar people over 65 from donating blood, but it scrapped the rule in 1978 after studies found that older people who stored their own blood prior to surgery did well, said Dr. Steven Kleinman, the association’s senior medical adviser. Now most blood banks are happy to accept blood from older volunteers.
Adapted from: http://well.blogs.nytimes.com
Choose the best alternative according to the text:
Provas
Questão presente nas seguintes provas
Assinale a alternativa incorreta quanto à formação da palavra em destaque.
Provas
Questão presente nas seguintes provas
Choose the best alternative that shows the irregular plural form:
Provas
Questão presente nas seguintes provas
Pelo triângulo ABC, o valor de !$ x^2 + 6x !$ é

Provas
Questão presente nas seguintes provas
Considere a inequação !$ x^2-1 \le 3 !$ . Está contido no conjunto solução dessa inequação o intervalo
Provas
Questão presente nas seguintes provas
Uma das explicações para as lendas sobre navios fantasma advém de situações como as da foto abaixo, onde não há montagem. Tal efeito é similar ao da miragem.

O fenômeno físico associado ao descrito acima é:
Provas
Questão presente nas seguintes provas
Cadernos
Caderno Container