Foram encontradas 100 questões.
O gráfico abaixo representa as curvas características de um JFET. Com o auxílio do gráfico, coloque V para verdadeiro ou F para falso para as afirmações abaixo
( ) O gráfico representa um JFET canal N.
( ) O JFET possui comportamento de fonte de corrente constante a partir de um determinado valor de VDS.
( ) Para VDS inferior ao ponto de pinch-off, o dispositivo possui comportamento de resistor cujo valor é determinado por VGS.
( ) O JFET possui comportamento de fonte de corrente constante a partir de um determinado valor de VDS.
( ) Para VDS inferior ao ponto de pinch-off, o dispositivo possui comportamento de resistor cujo valor é determinado por VGS.

Assinale a alternativa com a sequência correta.
Provas
Questão presente nas seguintes provas
Assinale a frase correta quanto à concordância verbal.
Provas
Questão presente nas seguintes provas
Considerando um receptor super- heteródino, qual das etapas fornece em sua saída a frequência intermediária?
Provas
Questão presente nas seguintes provas
Simplifique a expressão obtida da tabela a seguir e assinale a alternativa correta.
| ABC | S |
| 000 | 1 |
| 001 | 0 |
| 010 | 1 |
| 011 | 0 |
| 100 | 1 |
| 101 | 0 |
| 110 | 1 |
| 111 | 0 |
Provas
Questão presente nas seguintes provas
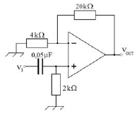
Calcule o ganho do amplificador operacional do circuito e determine a finalidade do circuito. Em seguida, assinale a alternativa correta.

Provas
Questão presente nas seguintes provas
894788
Ano: 2019
Disciplina: Engenharia de Telecomunicações
Banca: DIRENS Aeronáutica
Orgão: EEAr
Disciplina: Engenharia de Telecomunicações
Banca: DIRENS Aeronáutica
Orgão: EEAr
Provas:
Qual processo de multiplexação deve ser utilizado para enviar vários sinais de áudio utilizando um único cabo, sendo esses sinais referentes a linhas telefônicas de diferentes assinantes, preservando as características dos sinais para a realização da comunicação?
Provas
Questão presente nas seguintes provas
Considerando os apostos e os vocativos, assinale a alternativa em que o emprego da vírgula está incorreto.
Provas
Questão presente nas seguintes provas
Um resistor de !$ 15 M \Omega !$ foi associado em série com um capacitor de !$ 2 \mu F !$. Qual a constante de tempo do circuito?
Provas
Questão presente nas seguintes provas
Dadas as afirmativas abaixo sobre o cristal piezoelétrico, assinale a alternativa correta.
1 – O cristal piezoelétrico, quando sujeito a uma diferença de potencial, deforma-se mecanicamente.
2 – A frequência de ressonância do cristal não está relacionada com as dimensões mecânicas da sua lâmina.
3 – O cristal, quando corretamente conectado no circuito e alimentado, oscila em uma frequência extremamente estável.
4 – O circuito elétrico equivalente de um cristal piezoelétrico é uma associação série RLC em paralelo com um capacitor.
2 – A frequência de ressonância do cristal não está relacionada com as dimensões mecânicas da sua lâmina.
3 – O cristal, quando corretamente conectado no circuito e alimentado, oscila em uma frequência extremamente estável.
4 – O circuito elétrico equivalente de um cristal piezoelétrico é uma associação série RLC em paralelo com um capacitor.
Provas
Questão presente nas seguintes provas
Em qual alternativa a conjunção pois é coordenativa conclusiva?
Provas
Questão presente nas seguintes provas
Cadernos
Caderno Container