Foram encontradas 638 questões.
Toda instalação hidráulica nova ou reformada deve, antes de entrar em funcionamento, ser inspecionada e ensaiada. Qual destes ensaios não é utilizado?
Provas
Questão presente nas seguintes provas
A influência do estruturalismo nas ciências sociais e sua repercussão no estudo das organizações foi um dos aspectos da origem da Teoria Estruturalista. O estruturalismo trouxe novas concepções sobre o estudo das organizações sociais.
Quanto a isso, marque V verdadeiro ou F falso nas afirmativas abaixo e, em seguida, assinale a alternativa com a sequência correta.
( ) Estruturalismo abstrato de Gurwitch: a estrutura é uma construção abstrata de modelos para representar a realidade empírica.
( ) Estruturalismo concreto de Lévi-Strauss e de Radcliff- Brown: a estrutura é o conjunto de relações sociais num dado momento.
( ) Estruturalismo fenomenológico de Merton: a estrutura é um conjunto que se constitui, se organiza e se altera e os seus elementos têm uma função sob uma certa relação, o que impede o tipo ideal de estrutura de retratar fiel e integralmente a diversidade e a variação do fenômeno real.
( ) Estruturalismo dialético de Karl Marx: a estrutura é constituída de partes que, ao longo do desenvolvimento do todo, se descobrem, se diferenciam e, de uma forma dialética, ganham autonomia umas sobre as outras, mantendo a integração e a totalidade sem fazer soma ou reunião entre si, mas pela reciprocidade instituída entre elas.
Provas
Questão presente nas seguintes provas
Os resistores utilizados para variar ou mudar a resistência de um circuito são conhecidos como
Provas
Questão presente nas seguintes provas
Qual é a denominação dada aos dedos da mão?
Provas
Questão presente nas seguintes provas
Assinale a alternativa que não é considerada fase necessária para a execução do controle tecnológico do concreto.
Provas
Questão presente nas seguintes provas
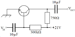
Qual a diferença entre a tensão no coletor em relação à base do transistor do circuito abaixo? Dado !$ \beta = 400 !$. Considere queda de tensão na base de 1V.

Provas
Questão presente nas seguintes provas
Com relação à dosagem do concreto de cimento Portland, qual o método que os materiais constituintes e o produto resultante são previamente ensaiados em laboratórios?
Provas
Questão presente nas seguintes provas
O megohmímetro é um instrumento que não é utilizado para medir a resistência de
Provas
Questão presente nas seguintes provas
As lâmpadas quartzo ou halógenas pertencem a qual tipo?
Provas
Questão presente nas seguintes provas
Um gerador de corrente contínua funciona segundo o princípio de indução de corrente elétrica a partir da variação do fluxo magnético. Sobre esse dispositivo, é correto afirmar que
Provas
Questão presente nas seguintes provas
Cadernos
Caderno Container