Foram encontradas 96 questões.
A descoberta do elétron e sua interação com campos elétricos e magnéticos, através dos experimentos com a ampola de Crockes, possibilitou a idealização do modelo atômico de
Provas
Sobre um trilho de um banco óptico é colocado perpendicularmente um objeto real que se aproxima de um espelho. A imagem observada é sempre virtual e direita e o tamanho da imagem aumenta conforme o objeto se aproxima do espelho. Mas, mesmo a imagem aumentando de tamanho, é sempre menor que o tamanho do objeto.
Pode-se afirmar corretamente que o espelho utilizado
Provas
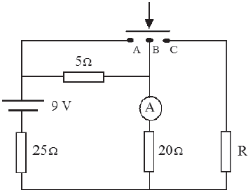
O circuito abaixo é constituído de uma fonte de alimentação ideal, 4 resistores ôhmicos e um amperímetro ideal.
O circuito apresenta também um dispositivo composto de uma barra condutora, de resistência elétrica nula, que normalmente fica afastada. Mas se o dispositivo for acionado, a barra irá encostar nos pontos A, B e C ao mesmo tempo, colocando-os em contato.
Nas condições iniciais, o amperímetro indica um determinado valor de intensidade de corrente elétrica.
Assinale a alternativa que apresenta o valor da resistência elétrica R, em ohms, para que a indicação no amperímetro não se altere, quando o dispositivo for acionado.

Provas
Um móvel, de dimensões desprezíveis, parte do repouso e seu movimento retilíneo é observado por um professor de Física.
Os valores das posições (x) desse móvel em função dos respectivos instantes de tempo (t) estão registrados na tabela a seguir.
| x(m) | t(s) |
| 0 | 0 |
| 2 | 1 |
| 8 | 2 |
| 18 | 3 |
| 32 | 4 |
| 50 | 5 |
| 72 | 6 |
Podemos afirmar, corretamente, que o móvel executa um movimento retilíneo .
Provas
Durante a pandemia da COVID-19, passou-se a usar na entrada dos lugares públicos um termômetro digital óptico para verificar se a pessoa que vai entrar no local não está no estado febril. Esse termômetro não necessita estar em contato com a pele da pessoa examinada, pois o mesmo mede a radiação térmica do corpo da pessoa.
É costume apontar para a testa de quem será examinado, pois normalmente é uma área que está descoberta. Porém, vários vídeos circularam nas redes sociais dizendo que essa prática era perigosa, pois os raios “emitidos” pelo termômetro, segundo os vídeos, poderiam prejudicar os neurônios das pessoas examinadas. Isso não tem nenhum fundamento, pois o termômetro não emite, mas sim, mede a irradiação eletromagnética emitida pela pessoa, através de um sensor ajustado para a faixa de frequência, cujo valor é proporcional à temperatura.
No espectro das ondas eletromagnéticas essa faixa de funcionamento do sensor do termômetro é chamada de
Provas
Partículas !$ \beta !$ são lançadas com uma velocidade de módulo igual a 227500 km/s, perpendicularmente a um campo magnético uniforme !$ \vec{B} !$ de intensidade 0,1 T, com o sentido indicado na figura. Essas partículas atingem um anteparo, no ponto C, a uma distância de 26 mm do orifício de entrada, ponto A, após percorrerem uma trajetória igual a uma semi-circunferência, conforme a figura.
Nessas condições foi possível medir a relação carga/massa dessas partículas no valor de C/kg.

Provas
Um carro a 108 km/h se encontra prestes a iniciar uma ultrapassagem de um caminhão que está a 72 km/h, conforme a figura. Ambos realizam um movimento retilíneo uniforme durante todo percurso.

O tempo, em segundos, que o carro leva para ultrapassar o caminhão (ponto A chegar à mesma posição do ponto B, em relação ao referencial x) é igual a
Provas
Os satélites geoestacionários realizam MCU (Movimento Circular Uniforme) com órbitas que pertencem a um plano imaginário que corta a Terra na Linha do Equador e que apresenta o mesmo período de rotação da Terra. Isso é obtido quando o satélite está a uma altura de 36000 km em relação a um ponto na superfície e com uma determinada velocidade tangencial. Se esse ponto situado na superfície, na Linha do Equador, apresenta uma velocidade tangencial de módulo igual a 1600 km/h, o módulo da velocidade tangencial de um satélite geoestacionário será de km/h.
Utilize !$ \pi !$ = 3 .
Provas
Um bloco homogêneo de massa (m) está colocado em um plano inclinado formando um ângulo !$ \theta !$ com a horizontal, conforme a figura.
Existem duas condições possíveis para esse bloco:
I) permanecer em equilíbrio estático sob ação de uma força de atrito estático, cujo coeficiente de atrito estático é !$ \mu !$e; ou
II) descer o plano inclinado sob a ação de uma força de atrito dinâmico, cujo coeficiente de atrito dinâmico é !$ \mu !$d.
Adotando g para a intensidade da aceleração da gravidade no local, é correto afirmar que:

Provas
A carga elétrica elementar (e) foi medida em 1909 pelo físico norte-americano Robert Millikan num experimento que ficou conhecido como “a gota de óleo de Millikan”. Neste experimento as partículas de óleo carregadas negativamente eram pulverizadas no interior de uma câmara. Por causa da ação da força da gravidade !$ (\vec{F}_g) !$, algumas gotas descreviam movimentos verticais descendentes. Num compartimento no interior da câmara, algumas gotas de óleo de massa m ficavam em equilíbrio devido a uma força eletrostática !$ (\vec{F}_{el}) !$ gerada por placas metálicas que estavam carregadas negativamente. Dessa forma, Millikan conseguia visualizar essas gotas em repouso e determinar o seu diâmetro e, por consequência, a relação carga elétrica e massa.
Com relação às grandezas descritas, que atuam nessa gota de óleo em equilíbrio, em termos vetoriais, é correto expressar:
Adote !$ \vec{g} !$ como o vetor referente a aceleração da gravidade.
Provas
Caderno Container