Foram encontradas 100 questões.
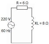
Calcule a impedância (Z) e a tensão (VL) para o circuito RL série representado abaixo, em seguida assinale a alternativa correta.

Provas
Considerando um dispositivo cuja resistência é de \( 20 \Omega \) e a corrente que percorre o circuito é de 12 A, calcule a potência (P) dissipada no resistor e a tensão (V) de alimentação do circuito. Em seguida assinale a alternativa correta.
Provas
Calcule a corrente que passa por um motor trifásico de 20 cv, de 220 V entre fases, fator de potência de 90% e rendimento de 80%. Em seguida, assinale a alternativa correta, considerando \( \sqrt 3 = 1,73 \), se necessário.
Provas
Avalie as informações abaixo sobre o emprego de fusíveis em circuitos elétricos.
I- O fusível fecha o circuito toda vez que uma corrente perigosa começa a fluir pelo circuito.
II- O fusível pode derreter em consequência de um curto-circuito.
III- São utilizados para proteção de circuitos elétricos.
IV- O fusível permite o fluxo de correntes maiores do que o valor do fusível.
Está correto o que se afirma em
Provas
De acordo com o circuito abaixo, escreva as equações de malha utilizando as leis de Kirchhoff. Em seguida assinale a alternativa que contém a equação da malha 3.

Provas
Assinale a alternativa correta, segundo as considerações gerais sobre os Quadros de Distribuição, que prevê circuitos reservas de forma a satisfazer os critérios determinados pela NBR 5410.
Provas
Considere um circuito série com três resistores (R1, R2 e R3) com valores de resistência iguais, sendo a resistência equivalente \( a = X\Omega \), com uma tensão aplicada ao circuito de 240 V. Assinale a alternativa que contém o valor da queda de tensão através de R1.
Provas
A potência que é transformada em trabalho (calor, movimento, luz, ação, etc) e é medida pelo wattímetro é a potência:
Provas
Calcule o fator de potência e a potência aparente de uma instalação, na qual medindo-se com wattimetro, achamos 4 kW e com o vármetro, 3 kvar. Em seguida, assinale a alternativa correta.
Provas
Segundo os critérios dos limites de queda de tensão estabelecidos pela NBR 5410, assinale a alternativa que completa a frase abaixo.
A queda de tensão nos terminais do dispositivo de partida dos motores elétricos durante o acionamento não deve ser superior a da tensão nominal.
Provas
Caderno Container