Foram encontradas 60 questões.
Ao afirmar que "our society literally would grind to a halt" (l.13-14), o autor diz que nossa sociedade:
Provas
A palavra shortages em "other shortages" (l.8) sugere:
Provas
ease em "to ease other shortages" (l.7) significa:
Provas
A expressão sublinhada em "when we are hot and so on" (l.6-7) indica:
Provas
Na última frase, o autor apresenta uma:
Provas

O autor acredita que no futuro o combustível será mais:
Provas

A alternativa em que NÃO há qualquer referência ao momento de ocorrência do fato comentado pela notícia do jornal é:
Provas

No primeiro parágrafo do texto ocorrem repetições de termos anteriores; a alternativa em que os dois termos sublinhados NÃO são exatamente um exemplo de repetição por não possuírem o mesmo referente é:
Provas
Um técnico observou, na programação de um CLP, a figura abaixo.

Concluiu que o bloco representa um Contador e que RESET, UDC e K8 determinam:
Provas
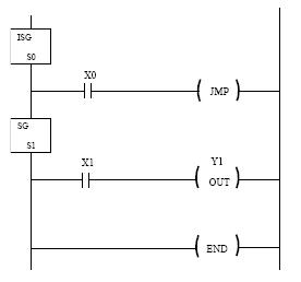
Analise a programação de um CLP apresentada abaixo.

Pode-se afirmar que é uma Programação por:
Provas
Caderno Container