Foram encontradas 50 questões.
Considere um sistema elétrico composto por uma carga trifásica, alimentada por uma fonte trifásica ideal, nas seguintes condições:
- Tensão de linha da fonte: 200V;
- Característica da carga: impedância constante, conectada em !$ \Delta !$;
- Impedância da carga: 32+j24 !$ \Omega !$
Nessas condições, a potência dissipada pela carga, em W, é
Provas
Considere o circuito RLC da Figura abaixo, o qual é alimentado por uma fonte senoidal VF.

Esse circuito foi implementado e testado numa bancada, de forma que os registros temporais das tensões VF, VR e VX são mostrados na Figura abaixo.

Nessas condições, com referência à relação entre os valores de R, XL e XC, tem-se que
Provas
A unidade da diferença de potencial elétrico, em termos de unidades de base do Sistema Internacional de Unidades, é expressa por:
kg . m2 . s-3 . A-1
A unidade da Condutância, quando escrita em termos de unidades de base do Sistema Internacional de Unidades, é
Provas
Os transformadores para instrumentos, que têm o objetivo de reduzir as correntes que circulam no seu primário, fornecendo, assim, no secundário, correntes reduzidas que alimentam instrumentos de medidas, medidores de energia, dispositivos de proteção e controle com correntes compatíveis a esses equipamentos são denominados transformadores de
Provas
O elemento de um sistema de controle, que recebe um sinal de controle e atua fisicamente no processo, modificando sua entrada, é o
Provas
Um sistema de alimentação fornece energia a um equipamento de 100 kVA e fator de potência igual a 0,8 indutivo.
Para que esse equipamento opere com um fator de potência igual a 0,867, a potência reativa do banco de capacitores, em kvar, é, aproximadamente:
Dado
cos-1 (0,867) = 30º
sen 30º = 0,5
tg 30º = 0,57
Provas
Um motor de indução possui a seguinte relação:
Ns = (120.f)/p, onde:
Ns: velocidade do campo girante, em rpm.
f: frequência da rede de alimentação em Hz.
p: número de polos.
Para Ns, em hertz, a expressão passa a ser
Provas
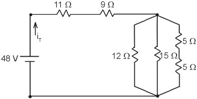
Leve em conta que uma bateria de f.e.m. de 48 V, considerada ideal, alimenta um circuito formado por vários resistores em associação mista, conforme indicado na Figura abaixo.

Nessas condições, a corrente elétrica iT, em ampère, fornecida ao circuito pela fonte é igual a
Provas
Subestações são instalações que têm por finalidade realizar a transmissão e a distribuição de grandes blocos de energia. Para cumprir tal finalidade, são utilizados equipamentos que realizam a proteção e o controle do desempenho dessa finalidade, dentre outras funções.
Dentre os equipamentos utilizados em subestações, as chaves seccionadoras são empregadas com o objetivo de
Provas
Durante o teste de um equipamento eletrônico, a tensão existente entre um determinado par de terminais é visualizada num osciloscópio, conforme imagem a seguir.

Caso essa mesma tensão seja aferida por um voltímetro, ajustado para medir tensão contínua em volts, o valor indicado no mostrador do voltímetro será
Provas
Caderno Container