Foram encontradas 280 questões.

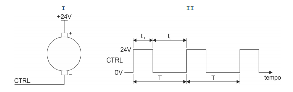
Considerando que o sinal CTRL seja cíclico, com período T compatível com o sistema (cerca de 1 ms), e que o duty-cicle
a velocidade do motor Provas
Um engenheiro efetuou medições de tensões, correntes e potências ativas em um painel de distribuição de baixa tensão com o objetivo de aferir a potência elétrica total consumida pela instalação. Os resultados das medições estão apresentados na tabela abaixo.

Dado que a instalação possui característica exclusivamente indutiva, a potência reativa total, consumida pela instalação é, em [VAr], igual a
Provas
Sendo que a topologia do anel é barra 10 − barra 20 − barra 30 − barra 40, apresenta corretamente o fluxo de potência ativa da barra 20 para a barra 30 e o fluxo de potência reativa da barra 40 para a barra 30, em [MW] e [MVAr], respectivamente:
Provas

Dado que o capacitor utilizado é de 250 [microfarads] e que a frequência angular do sistema é 100 [rad/s], o fator de potência do motor é
Provas
Um excerto de um diagrama elétrico de um sistema de comando e sinalização em uma subestação é apresentado abaixo.

A respeito desse diagrama,
Provas
A seguinte figura apresenta uma carga trifásica puramente resistiva e balanceada.

Os valores das três resistências para a configuração Triângulo equivalente da carga apresentada são, em Ω,
Provas
Considere o seguinte circuito composto de um capacitor e um resistor.

O circuito é um filtro
Provas

Com relação às formas de onda, I e II representam correta e respectivamente:
Provas
Provas
Provas
Caderno Container