Foram encontradas 280 questões.
Uma PCH − Pequena Central Hidrelétrica, com capacidade instalada de 10 MW está sendo implantada em uma região onde alguns condomínios estão sendo construídos e próxima a uma futura área industrial.
Do ponto de vista ambiental, esse tipo de usina ocasiona menos impacto, por ocupar área menor e poder operar próxima a rios de pequeno ou médio porte, desde que na região haja desnível suficiente para gerar potência hidráulica que permita movimentar as turbinas.
Na prática, a PCH é similar a uma usina hidrelétrica de grande porte, sendo constituída por barragem, sistemas de captação e adução de água, casa de força e sistema de retorno da água ao leito do rio.
Da usina, a rede trifásica segue para uma subestação elevadora que converte para tensão de linha de 13,8 kV, até os transformadores dos postes das ruas dos condomínios (220/127 V) e cabines primárias das indústrias (220/380 V).
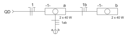
Uma equipe trabalha atualmente na instalação elétrica das salas de controle, administração e recepção da PCH. A Figura I apresenta o diagrama da instalação elétrica da recepção.
Outra equipe está realizando a instalação de uma furadeira elétrica de coluna, cujo motor possui os dados de placa conforme se apresenta na Figura II.

Provas
Uma PCH − Pequena Central Hidrelétrica, com capacidade instalada de 10 MW está sendo implantada em uma região onde alguns condomínios estão sendo construídos e próxima a uma futura área industrial.
Do ponto de vista ambiental, esse tipo de usina ocasiona menos impacto, por ocupar área menor e poder operar próxima a rios de pequeno ou médio porte, desde que na região haja desnível suficiente para gerar potência hidráulica que permita movimentar as turbinas.
Na prática, a PCH é similar a uma usina hidrelétrica de grande porte, sendo constituída por barragem, sistemas de captação e adução de água, casa de força e sistema de retorno da água ao leito do rio.
Da usina, a rede trifásica segue para uma subestação elevadora que converte para tensão de linha de 13,8 kV, até os transformadores dos postes das ruas dos condomínios (220/127 V) e cabines primárias das indústrias (220/380 V).
Uma equipe trabalha atualmente na instalação elétrica das salas de controle, administração e recepção da PCH. A Figura I apresenta o diagrama da instalação elétrica da recepção.
Outra equipe está realizando a instalação de uma furadeira elétrica de coluna, cujo motor possui os dados de placa conforme se apresenta na Figura II.

Considere o dispositivo abaixo.

As especificações do relé estão corretas em
Provas
Considere o circuito abaixo.

Sabendo-se que a resistência equivalente entre os pontos A e B vale 100 ohms, o valor de RX, em ohms, é igual a
Provas
Considere a figura abaixo para responder à questão.

Para uma medição correta de ...... em R2 deve-se manter a Chave 1 ...... , a Chave 2 ...... e as pontas de prova do multímetro ligadas aos pontos ...... .
Dados: considere o multímetro selecionado no modo de operação adequado.
Preenchem, correta e respectivamente, as lacunas da frase acima:
Provas
Considere a figura abaixo para responder à questão.

No circuito apresentado, mede-se a potência fornecida pela fonte em duas situações distintas:
Situação A − Chave 1 ligada e chave 2 desligada.
Situação B − As duas chaves ligadas.
Considerando-se que, na situação B, a potência medida é o triplo do valor medido na situação A, a relação correta entre as resistências encontra-se em
Provas
As medidas que devem apresentar valor de resistência baixa constam em
Provas
- EletrotécnicaInstalações Elétricas em Eletricidade
- EletrotécnicaSimbologia Elétrica
- EletrotécnicaInstrumentos e Medições elétricas
- EletrônicaLuminotécnica em Eletrônica
Ao checar o diagrama da instalação de duas luminárias na mesa de trabalho do supervisor de setor, que apresentava um problema intermitente, o encarregado do setor se deparou com o seguinte desenho:

O diagrama elétrico representado é o
Provas
- EletrotécnicaInstalações Elétricas em Eletricidade
- Legislação, Normas e ResoluçõesSegurança do Trabalho
Provas
- EletrotécnicaInstalações Elétricas em Eletricidade
- Legislação, Normas e ResoluçõesSegurança do Trabalho
A Comissão Interna de Prevenção de Acidentes (CIPA) de uma pequena empresa colocou em pauta o item sobre Equipamento de Proteção Individual (EPI). Após discussão, foi elaborada uma lista de equipamentos necessários para se ter como reserva, seja para casos de novas contratações ou mesmo para substituição de equipamentos danificados. Entre outros equipamentos da lista elaborada, constavam também os equipamentos abaixo.
I. Capacete de segurança.
II. Camisa ou camiseta.
III. Calçado aberto ou fechado.
IV. Luvas de raspa.
V. Alicate com cabo isolado.
São Equipamentos de Proteção Individual o que consta em
Provas
Provas
Caderno Container