Foram encontradas 40 questões.
A linguagem mais utilizada atualmente na indústria para programação de CLP é:
Provas
O Windows 7 Professional em português possui uma ferramenta para realização de backups denominada Backup e Restauração. Pode-se deixar o Windows escolher de forma automática os itens que serão incluídos no backup.
Nesta modalidade, o Windows realizará o backup dos arquivos, exceto:
Provas
A forma correta de remover um aplicativo instalado no Windows 7 Professional em português, com segurança e seguindo as boas práticas e recomendações do Windows, é:
Provas
Ao realizar uma busca na internet utilizando o Google, deseja-se obter somente resultados orgânicos cujos destinos são arquivos PDF (sem levar em consideração resultados pagos do Adwords).
Para tanto, pode-se otimizar a consulta ao Google utilizando a(s) palavra(s)-chave:
Provas
Em uma planilha do MS Excel 2010 em português com 150 linhas e 30 colunas, deseja-se manter a primeira coluna sempre visível durante a edição da planilha, enquanto se rola pelo resto da planilha.
Para tanto, pode-se utilizar o recurso:
Provas
Assinale a alternativa que permite adicionar uma impressora corretamente ao Windows 7 Professional em português.
Provas
Os sinais de I/O analógicos mais utilizados nos CLP são de:
Provas
Considere o circuito na figura

Qual é a potência no capacitor?
Provas
Considere o esquema de um transformador !$ Δ !$ – Y, apresentado na figura e que opera na sequência de fase ABC.

Sinalize a alternativa que dá a defasagem da corrente IA em relação à corrente Ia.
Provas
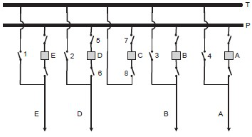
A subestação da figura do tipo de arranjo de barras principal e de transferência opera com os alimentadores A, B e E diretamente conectados na barra principal e o alimentador D conectado na barra de transferência.

Assinale a alternativa que representa a situação operativa dessa configuração para o alimentador D.
Provas
Caderno Container