Foram encontradas 45 questões.
Disciplina: TI - Desenvolvimento de Sistemas
Banca: BIO-RIO
Orgão: EMGEPRON
Um analista técnico eletrônico deseja montar um computador tipo desktop PC a partir de suas peças compradas no mercado. Em relação ao tema, NÃO é correto afirmar que:
Provas
Disciplina: TI - Organização e Arquitetura dos Computadores
Banca: BIO-RIO
Orgão: EMGEPRON
Um analista técnico eletrônico deseja montar sistema baseado em um computador tipo PC-desktop com uma placa de expansão conectada ao barramento do computador, com a finalidade de prover detecção de pulsos de luz. Um sensor de luz é ligado à placa, que tem um circuito adequado de detecção. O sistema deve executar um procedimento de captura de imagem da web-camera conectada ao computador no momento em que ocorrer a detecção do pulso de luz. Para implementar o sistema, o analista deseja usar o recurso de interrupção de CPU do computador. Em relação ao tema, NÃO é correto afirmar que:
Provas
Disciplina: TI - Organização e Arquitetura dos Computadores
Banca: BIO-RIO
Orgão: EMGEPRON
Um analista técnico eletrônico deseja montar um circuito eletrônico digital aproveitando o chip M2716, que é uma EPROM com capacidade de armazenar 16K bits, organizados no formato 2K×8. Em relação ao tema, NÃO é correto afirmar que:
Provas
Um analista técnico eletrônico deseja montar um circuito eletrônico de acionamento de um motor DC. Para evitar desperdício de energia elétrica, o acionamento deverá ser feito com o dispositivo de potência que aciona o motor operando em corte-saturação. Para transformar o sinal analógico de tensão de acionamento em um sinal em corte e saturação para o motor, o analista pretende usar o CI 555, cujo diagrama interno é mostrado abaixo.

Sabe-se que o CI 555 tem capacidade de implementar diversos circuitos eletrônicos clássicos. O nome do circuito que o CI 555 deverá implementar para adequar-se a essa descrição é:
Provas
Disciplina: TI - Organização e Arquitetura dos Computadores
Banca: BIO-RIO
Orgão: EMGEPRON
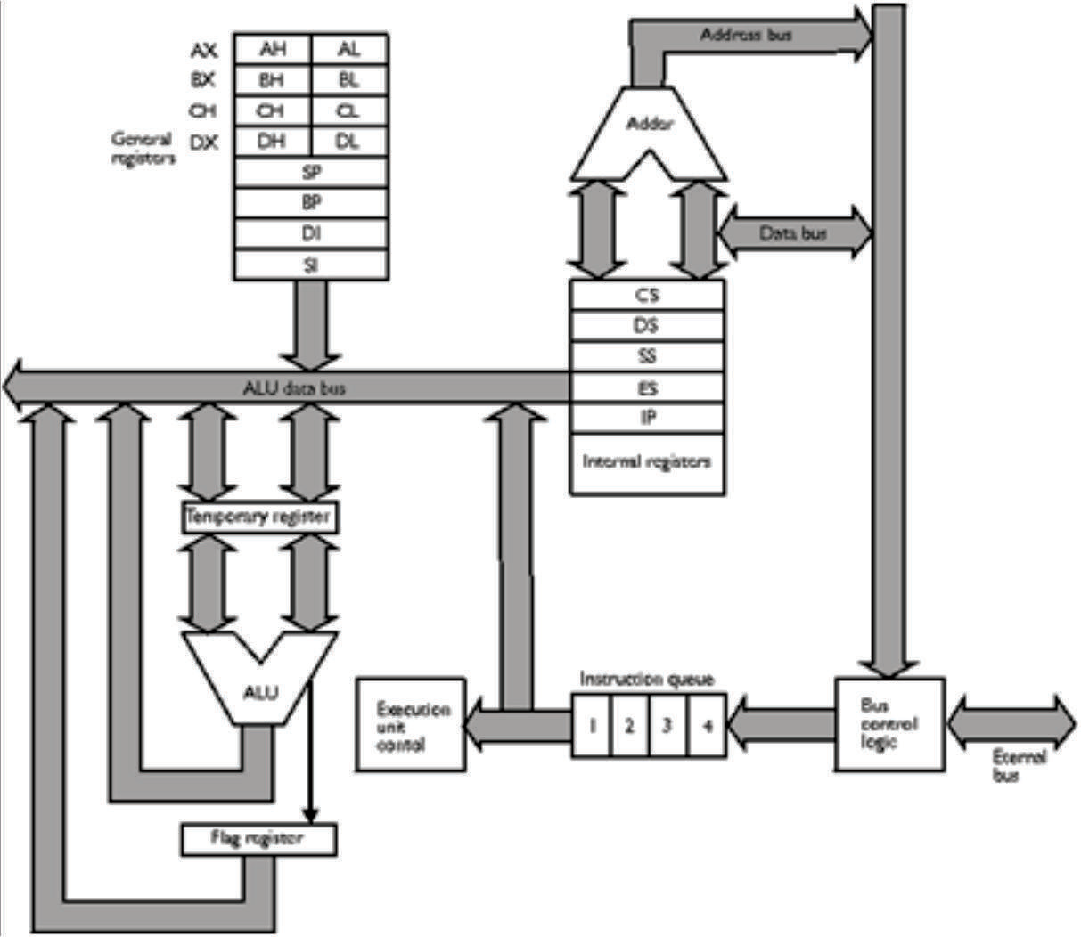
Um analista técnico eletrônico está analisando uma placa mãe de computador tipo PC-XT, baseado no microprocessador 8088, cujo diagrama interno aparece na figura a seguir.

Assinale a afirmativa ERRADA.
Provas
Um analista técnico eletrônico deseja analisar a partir do teorema de Lyapunov a estabilidade de um sistema elétrico feito apenas com resistores, capacitores e indutores.
Em relação ao tema, NÃO é correto afirmar que:
Provas
Disciplina: TI - Organização e Arquitetura dos Computadores
Banca: BIO-RIO
Orgão: EMGEPRON
Um analista técnico eletrônico deseja analisar teoricamente a estabilidade de um sistema de malha fechada como mostrado na figura abaixo, sendo r o sinal de referência, u o sinal de controle e y o sinal controlado.

O objeto controlado é também chamado de planta e pode ser modelado como a função de transferência:
P(s) = !$ \dfrac{Y\left(s\right)}{U\left(s\right)} !$ = !$ \dfrac{1}{\left(s+1\right)\left(s+2\right)\left(s+3\right)} !$
A partir da análise do lugar das raízes pode-se concluir que, EXCETO:
Provas
Um analista técnico eletrônico deseja analisar um sistema de controle de um gerador de energia elétrica que alimenta uma fábrica. A carga elétrica da fábrica pode variar entre um valor mínimo e um valor máximo. O gerador consiste de um motor a diesel ligado a um dínamo. O controlador do gerador é uma caixa que recebe o sinal de freqüência da tensão sobre a carga, e compara com a referência de 60Hz. Caso a frequência na carga fique abaixo da referência, o controlador aumenta o sinal de aceleração do motor diesel. Caso fique acima, o controlador diminui o sinal de aceleração. Em relação ao tema, NÃO é correto afirmar que:
Provas
Um analista técnico eletrônico deseja montar um circuito eletrônico de controlador. O objeto controlado (planta) é um motor DC que faz mover um carro. A variável a ser controlada y é a velocidade do carro. O sinal de controle u é a tensão DC aplicada ao motor. O sinal de entrada do controlador é o erro e, isso é, a diferença entre a referência de velocidade r e a velocidade medida do carro y. Considere a situação de referência diferente de zero e regime permanente.

Nesse caso, com controlador:
Provas
Disciplina: TI - Organização e Arquitetura dos Computadores
Banca: BIO-RIO
Orgão: EMGEPRON
Um analista técnico eletrônico deseja montar um circuito eletrônico que é um inversor tri-fásico com 6 mosfets de potência. Há uma tensão DC que alimenta os 6 mosfets dispostos em 3 colunas, cada uma com 2 mosfets em série ligando VCC a terra. A carga tri-fásica é ligada nos 3 pontos centrais das 3 colunas com 2 mosfets. Os gates dos mosfets são excitados por pulsos gerados por um microprocessador. São gerados 3 sinais, um para coluna de mosfet, sendo que o sinal para o mosfet ligado a VCC é o sinal invertido para o mosfet ligado a terra. Nesse caso é correto afirmar que:
Provas
Caderno Container